Diodes Incorporated PCI Express (PCIe) 时钟发生器
Diodes Incorporated PCI Express (PCIe) 时钟发生器是带片上终端的2、4和8输出低功耗PCIe发生器。这些时钟发生器采用25MHz晶体或CMOS参考输入,可提供多个带片上终端的100MHz输出。这些PCIe时钟发生器具有额外的缓冲参考输出,可用作其他电路的低噪声参考。Diodes Incorporated时钟发生器通过搭接引脚或SMBUS提供各种选项,如各种转换率和振幅。这样即可让用户轻松配置器件,从而优化其各个电路板的性能。这些器件还支持可选的扩频选项,从而为各种应用降低EMI。特性
- 晶振/CMOS输入:25MHz
- 带片上终端的2、4和8路差分低功耗HCSL输出
- 单独输出使能
- CMOS参考输出
- 针对各输出的可编程转换速率和输出振幅
- 差分输出阻断,直至锁定锁相环 (PLL)
- 差分输出上的可选扩频:0%、-0.25%或-0.5%
- 搭接引脚或SMBus进行配置
- 支持耐受3.3V电压的SMBus接口
- 电源电压:
- 1.5V和1.5V
- 极低抖动输出:
- 差分逐周期抖动:<50ps
- 差分输出至输出偏移:<60ps
- 符合PCIe Gen1/Gen2/Gen3/Gen4要求
- CMOS REFOUT相位抖动:<1.5ps RMS
- 封装(无铅和绿色环保):
- 48引脚6mm x 6mm TQFN
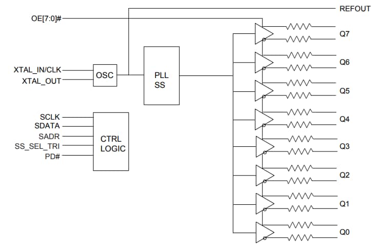
框图
View Results ( 4 ) Page
| 物料编号 | 数据表 | 输出端数量 | 输出类型 | 工作电源电流 | 封装 / 箱体 |
|---|---|---|---|---|---|
| PI6CG18201ZDIEX | ![]() |
2 Output | HCSL | 15 mA | TQFN-24 |
| PI6CG18801ZLIEX | ![]() |
8 Output | CMOS | 5 mA | TQFN-48 |
| PI6CG15401ZHIEX | ![]() |
4 Output | HCSL | 21 mA | TQFN-32 |
| PI6CG18200ZDIEX | ![]() |
2 Output | CMOS, HCSL | 15 mA | TQFN-24 |
发布日期: 2018-08-31
| 更新日期: 2022-09-30

