PI6CB33x缓冲器采用专有的PLL设计,可实现超低抖动,满足PCIe Gen1/Gen2/Gen3/Gen4/Gen5要求。这些器件还通过SMBus支持50MHz、125MHz和133.33MHz以太网应用。PI6CB33x时钟缓冲器为每路输出提供可编程转换率和输出振幅,可灵活地简化电路板设计并实现最佳性能。
PI6CB33x时钟缓冲器采用紧凑、无铅、符合RoHS指令的薄型四方扁平无引线 (TQFN) 封装。
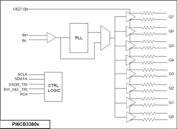
特性
- 3.3 V 电源电压
- HCSL输入:100 MHz
- 带片上终端的2、4、6、8和20路差分低功耗HCSL输出
- 通过SMBus支持50MHz、125MHz或133.33MHz
- 输出阻抗:85Ω或 100Ω
- 扩频容限
- 单独输出使能 (OE)
- 针对各路输出的可编程转换率和输出振幅
- 差分输出阻断,直至锁定PLL
- 搭接引脚或SMBus进行配置
- 差分输出至输出偏移:<50ps
- 工作温度范围:-40 °C至+85 °C
- 超低抖动输出
- 差分逐周期抖动:<50ps
- 符合PCIe Gen1/Gen2/Gen3/Gen4/Gen5 CC标准
- 符合PCIe Gen 2和3 SRiS和SRnS标准
- 封装选项
- TQFN-24,4mm x 4mm
- TQFN-32,5mm x 5mm
- TQFN-40,5mm x 5mm
- TQFN-48,6mm x 6mm
- TQFN-72,10mm x 10mm
- 无铅,完全符合RoHS指令
- 无卤、无锑的绿色器件
应用
- 数据中心和服务器
- 存储
- 网络系统
- 交换机和路由器
数据手册
- 2路输出
- 6路输出
- 20-Output
- 4路输出
- 8路输出
低功耗HCSL测试电路
差分输出驱动LVDS
发布日期: 2020-02-10
| 更新日期: 2024-07-25

