外部电阻器可将开关频率从100kHz调整到500kHz或调整到固定的2.2MHz。也可实现与外部时钟同步。该设备集成了扩频调制器,可轻松符合电磁辐射标准。英飞凌TLD6099-2ES的每个通道都能驱动一个外部NMOS,以快速对输出电容放电。这一功能有助于管理因光功能交换而导致的快速负载变化。典型用例是从近光灯切换到远光灯,或使用矩阵管理器驱动自适应远光灯。
特性
- 双通道设备
- 宽输入电压(高达58V)和输出电压范围(高达70V)
- 开关频率范围为100kHz至500kHz,以及2.2MHz
- EMC优化设备
- 模拟输出调节(模拟调光)
- 过压、对地短路、开路反馈和过热诊断输出
- 用于自适应输出放电的NMOS栅极驱动器
- LED电流精度:±3.5%(未应用模拟调光)
- 符合汽车应用类标准AEC-Q100
应用
- LED驱动器
- 前灯模块
- 动画灯光功能
- 像素化自适应驱动光束
- 产品验证
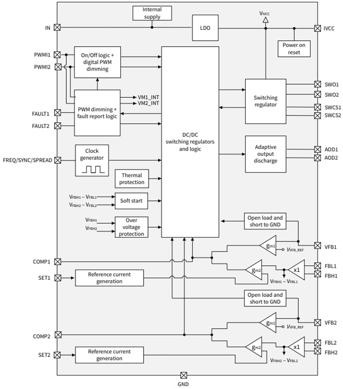
方框图
发布日期: 2025-01-24
| 更新日期: 2025-09-26

