特性
- 设计用于BMS
- 开环霍尔效应
- 母线隔离测量
- 电源:单极+5VDC
- 工作温度范围:-40 °C至+85 °C
- 具有诊断功能的CAN 2.0B数字输出,实现了 AUTOSAR E2E概述1A
- 过范围电流检测
- 通过多种霍尔传感器输出组合,实现了非常高的精度
- ±1500A通道CAN数字信号输出
规范
- 最大电源电压范围: -6 V至5.5 V
- 最大电源电流:150mA
- 6V最大电压到CAN,不会损坏ASIC
- 1mA最大电流到输出引脚,不会损坏ASIC
- 绝缘电阻:50MΩ
- 1mA电介质强度
- 17 mm 爬电距离
- 15.6mm电气间隙
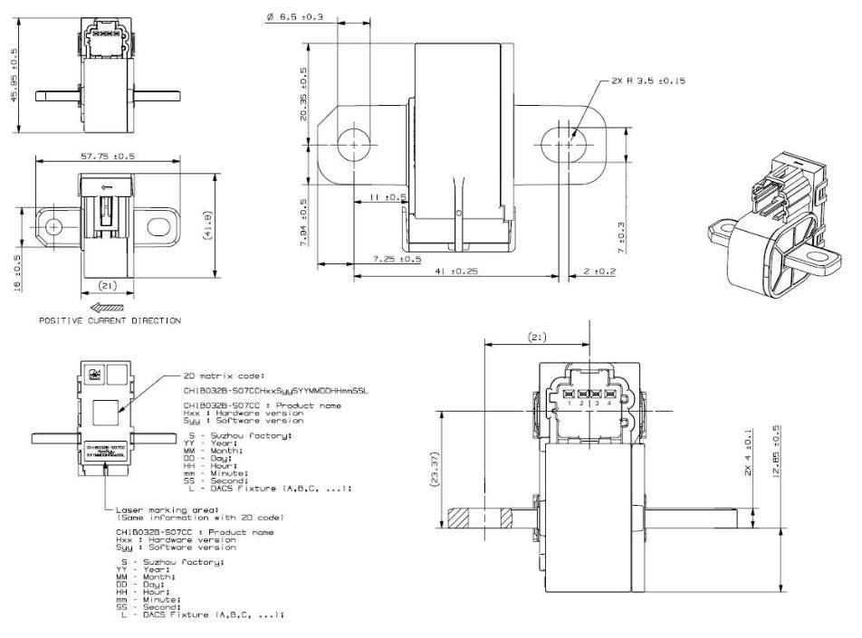
尺寸(mm)
发布日期: 2025-09-26
| 更新日期: 2025-10-24

