特性
- 符合UL标准的1200V SiC MOSFET模块
- 双通道
- 稳健的高抗噪性设计
- 隔离式温度监控、PWM
- 隔离式高压监控、PWM
- 2个3W输出功率
- 高达10A峰值电流
- 开关频率:100kHz
- 多达7个独特故障条件
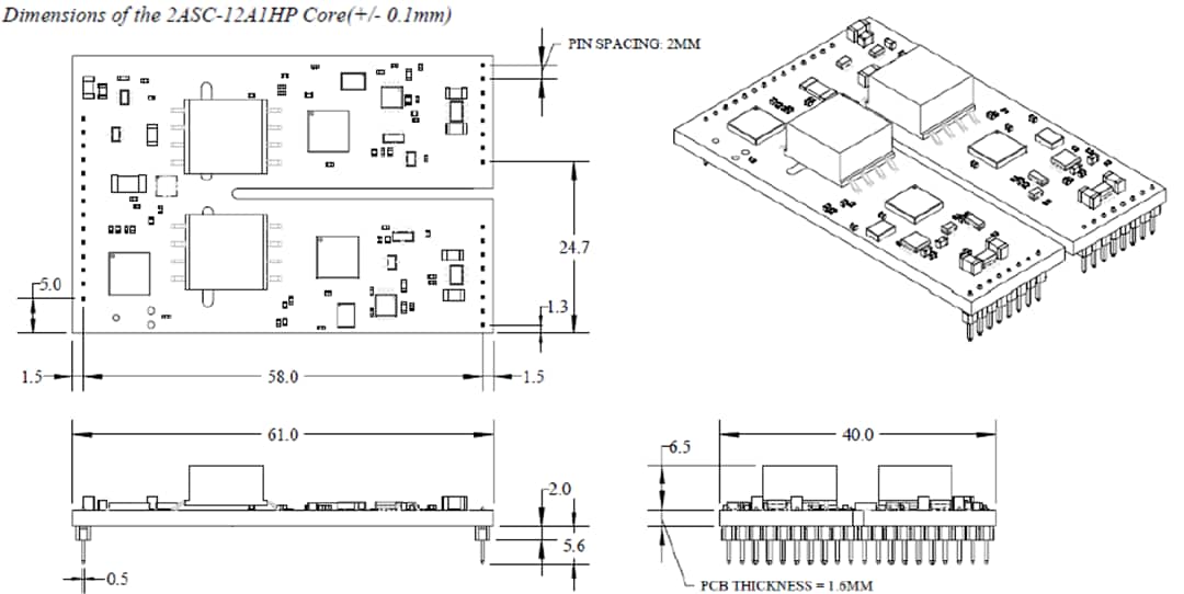
- 紧凑的40mm x 61mm外形尺寸
- 符合RoHS指令
- 软件可编程
- Augmented Turn-Off™ (ATOff)
- 栅极电压:±VGS
- VGS 正电压(+15V至+21V)
- VGS 负电压(-5V至0V)
- 电源欠压闭锁 (UVLO)
- 电源过压闭锁 (OVLO)
- 去饱和检测设置
- 死区时间
- 故障锁定设置
- 自动复位设置
应用
- 重型车辆
- 感应加热
- 辅助电源装置
- 电池储能
- 逆变器
- 无线充电
视频
其他资源
框图
机械图
发布日期: 2020-04-23
| 更新日期: 2024-07-24

