Microsemi / Microchip AgileSAIR®相臂SiC MOSFET功率模块
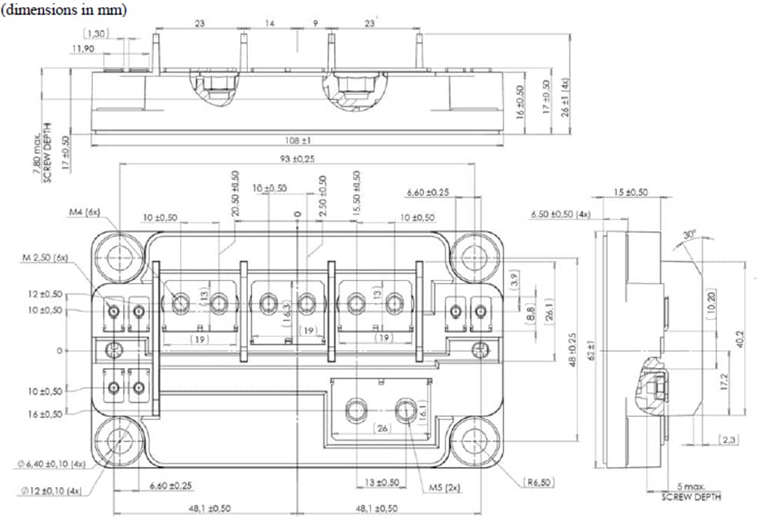
Microsemi/Microchip AgileSwitch®相臂SiC (碳化硅) MOSFET功率模块采用SiC MOSFET和SiC二极管,因此兼具两款器件的优势。这些电源模块采用极低电感SP6LI封装,最大杂散电感为3nH。这些SP6LI电源模块有1200V和1700V型号可供选择,外壳温度(T
C)为+80°C。SP6LI封装具有更高功率密度和紧凑外形,因此可减少并联模块数量,从而实现完整的系统,帮助设计人员进一步缩小器件尺寸。
特性
- SiC功率MOSFET
- 碳化硅肖特基二极管
- 零反向恢复
- 零正向恢复
- 与温度无关的开关特性
- VF上的正温度系数
- 开尔文源极,便于驱动
- 超低杂散电感
- M5电源连接器
- 内部热敏电阻器,用于温度监控
- AlN基板,用于提高热性能
- 高开关频率
- 高效率
- SP6LI封装
应用
- 电动汽车/混合动力汽车 (EV/HEV) 动力传动系统和动能回收系统 (KERS)
- 飞机执行系统
- 发电系统
- 开关模式电源
- 感应加热
- 开关电源
- 光伏 (PV)/太阳能/风能转换器
- 不间断电源 (UPS)
相关产品
软件可配置的1200V双通道碳化硅栅极驱动器内核。
用于评估AgileSwitch 2ASC-12A1HP SiC栅极驱动器内核。
用于2ASC-12A1HP 1200 V SiC栅极驱动器内核的完整评估和开发平台。
演示具有不同SiC MOSFET电源模块的2ASC-12A1HP SiC栅极驱动器内核。
发布日期: 2020-04-14
| 更新日期: 2024-07-24