Microchip Technology EV32R56A 参考设计
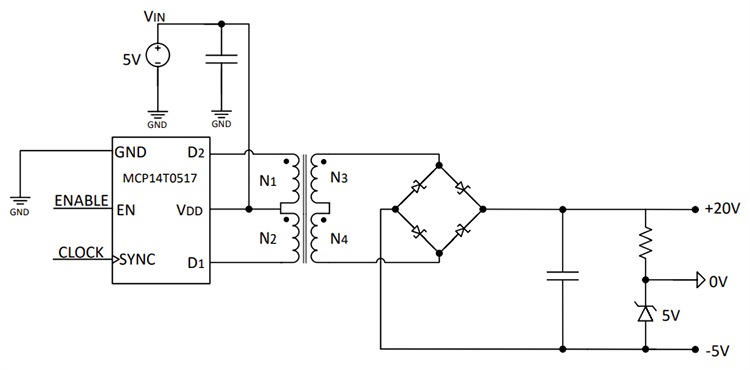
Microchip Technology EV32R56A参考设计是一款用于碳化硅 (SiC) 栅极驱动器的隔离式偏置生成器,基于MCP14T0517B推挽变压器驱动器。该驱动器工作在5V输入电压下。该板提供电流隔离的稳压后的偏置电压,偏置电压相对于0V分别为+20V和-5V,电流可达100mA。该Microchip板具有可配置的ENABLE引脚,用于外部控制和同步。MCP14T0517A/B驱动器设计用于小尺寸隔离式电源应用。MCP14T0517A的开关频率为150kHz,MCP14T0517B的开关频率为450kHz。MCP14T0517A/B允许与多个器件同步,并且通过使用高达1000kHz的外部时钟可以运行在更高频率下。特性
- 基于MCP14T0517B推挽式变压器驱动器
- 5V输入电压 (VIN)
- 输出电压
- 相对于0V为+20V
- 相对于0V为-5V
- 输出电流可达100mA(相对于-5V的+25V输出电压的输出电流)
- 450kHz切换频率
- 过温和过电流保护
- 符合 RoHS 要求
应用
- 用于SiC/Si MOSFET和IGBT的隔离式电源
- 用于隔离式通信接口(CAN、LIN、USB等)的偏置发生器
- 用于隔离式传感电路的偏置发生器
套件内容
- 用于SiC栅极驱动器参考设计PCB (EV32R56A) 的隔离式偏置生成器
- 用于输入和输出信号的两个3针2.54mm插头连接器
- 重要信息表
方框图
概述
发布日期: 2026-01-20
| 更新日期: 2026-02-02
