内置保护功能包括:2.5A(典型值)峰值电流限制、欠压锁定 (UVLO)、热关断,以及开关器件的死区时间控制。包含软启动功能,以限制启动期间的浪涌电流,尤其是在存在大输出电容器的情况下。提供有两种开关频率选项:MCP14T0517A工作在150kHz,可减少EMI;MCP14T0517B工作在450kHz,适合需要更小变压器的设计。MCP14T0517驱动器采用紧凑的6引脚SOT-23封装,标定运行在-40°C到+125°C温度范围内。
特性
- 推挽拓扑结构集成了电源开关
- 3.0V至5.5V工作输入电源电压范围
- 1.7A峰值驱动电流能力
- 150kHz或450kHz切换频率选项
- 过电流和过温保护
- 外部时钟输入用于多个器件同步
- 欠压锁定 (UVLO) 保护
- 使能功能
- 内部软启动功能
- <>
- 工作结温范围:-40 °C至+125 °C
- 6-lead SOT23-6封装
- AEC-Q100 汽车级
- 符合 RoHS 要求
应用
- 用于SiC/Si MOSFET和IGBT的隔离式电源
- 用于隔离式通信接口(CAN、LIN、USB等)的偏置发生器
- 用于隔离式传感电路的偏置发生器
规范
- +6V绝对最大电源电压
- +15V绝对最大D1和D2引脚电压
- 绝对最大开关电流:3.5APEAK
- 0.5W绝对最大功率耗散
- 工作VDD电源电压范围:3V至5.5V
- 1.5A工作输出开关电流
- 输入
- 偏置电压范围:3 V至5.5 V
- 偏置电流
- MCP14T0517A:最大7mA,典型值4.5mA;
- MCP14T0517B:最大9mA,典型值7mA
- 1µA最大睡眠电流
- UVLO阈值
- 2.95V最大正向增加电压
- 2.65V最小反向下降电压
- 75mV至125mV UVLO阈值迟滞范围
- EN、SYNC引脚逻辑电平
- “高”0.7V
- "低"0.3V
- 漏电流
- EN引脚:最大15µA
- SYNC引脚:最大1µA
- D1和D2引脚:最大1µA
- 集成式电源开关
- 0.5A时开关导通电阻
- 5V下最大200mΩ
- 3V下最大350mΩ
- D1和D2上电压转换速率典型值60V/µs
- 50ns典型死区时间
- 0.5A时开关导通电阻
- 振荡器
- 切换频率范围
- 140 kHz至160 kHz (MCP14T0517A)
- 420 kHz至480 kHz (MCP14T0517B)
- SYNC引脚上的外部同步信号
- 频率范围:60 kHz至1200 kHz
- 10%至90%占空比范围
- 切换频率范围
- 热关断
- +170°C典型温度
- +20°C典型迟滞
- +190.5°C热阻,符合EIA/JESD51-3标准
- ESD 额定值
- ±5000V人体模型 (HBM),符合ANSI/ESDA/JEDEC JS-001标准,所有引脚
- ±2000V充电设备模型 (CDM),符合JESD22-C101标准,所有引脚
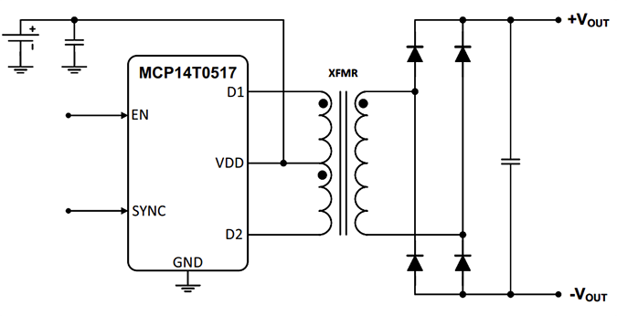
典型应用电路
功能框图
发布日期: 2026-01-20
| 更新日期: 2026-02-02

