MCP73871电池充电管理控制器采用恒定电流/恒定电压 (CC/CV) 充电算法,设有可选择的充电终止点。恒定电压调节固定为4.10V、4.20V、4.35V或4.40V,以满足新兴的电池充电要求。在环境温度较高或功率较大时,MCP73871控制器可根据芯片温度限制充电电流。这些控制器具有电阻可编程终止设定点、电池温度监控器、自动充电、自动终止充电控制以及欠压闭锁 (UVLO) 等特性。
特性
- 集成系统负载分配和电池充电管理
- 同时进行系统供电和锂离子电池充电
- 电压成比例电流控制 (VPCC) 可确保系统负载优先于锂离子电池充电电流
- 通过理想二极管运行实现低损耗电源路径管理
- 完整的线性充电管理控制器
- 集成传输晶体管
- 集成电流检测
- 集成反向放电保护
- 可选输入电源:USB端口或交流-直流墙上适配器
- 预设高精度充电电压选项
- 4.10V、4.20V、4.35V或4.40V
- ±0.5%调节容差
- CC/CV运行,具有热调节功能
- 总输入电流控制:1.8A(最大值)
- 电阻可编程快速充电电流:50mA至1A
- 电阻可编程终止设定点
- 自动充电
- 可选的USB输入电流控制
- 自动终止充电控制
- 带计时器启用/禁用控制的安全计时器
- 对深度耗尽电池进行0.1C预充
- 电池温度监控器
- 欠压闭锁 (UVLO)
- 低电量状态指示灯 (LBO)
- 电源良好状态指示灯 (PG)
- 充电状态和故障状态指示灯
- 工作温度范围:-40ºC至85ºC
应用
- 全球定位系统 (GPS)/导航系统
- 智能手机
- 便携式媒体播放器和MP3播放器
- 数码相机
- 蓝牙耳机
- 便携式医疗设备
- 充电座/扩展坞
- 玩具
应用电路
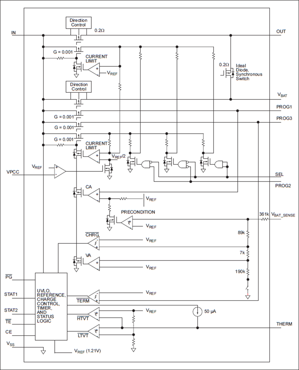
框图
发布日期: 2017-12-20
| 更新日期: 2024-12-26

