Nexperia SOT8009表面贴装封装产品

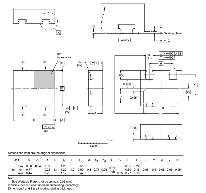
Nexperia SOT8009表面贴装封装产品采用塑料无引线超小型封装,带侧面可湿性侧翼 (SWF)。SOT8009封装具有三个端子,间距为0.8mm,主体为1.4mm x 1.2mm x 0.48mm。SOT8009产品采用DFN1412D-3描述代码和USON(超薄小外形;无引线)封装形式。Nexperia SOT8009表面贴装封装产品支持2mmx1.7mm占位面积和3.4mm2占位面积。

特性

  • B(底部)端子位置代码
  • DFN1412D-3封装类型描述代码
  • DFN1412D-3封装类型行业代码
  • USON(超薄小外形;无引线)封装类型描述代码
  • P(塑料)封装主体材料类型
  • MO-340CA JEDEC封装外形代码
  • S(表面贴装)表面贴装型
  • 无封装外形详情图形参考
  • 发行日期2019-12-6
  • SOT8009制造商封装代码
  • 占位尺寸:2mm x 1.7mm
  • 占位面积:3.4mm2

封装摘要

图表 - Nexperia SOT8009表面贴装封装产品

视频

封装外形

机械图纸 - Nexperia SOT8009表面贴装封装产品
发布日期: 2022-07-21 | 更新日期: 2025-12-18