Nexperia SOT8015表面贴装封装产品

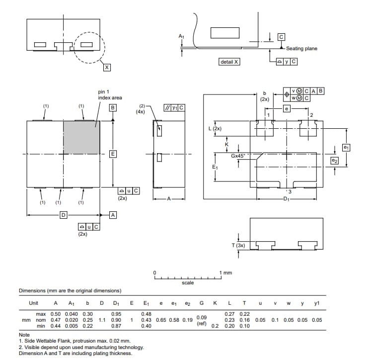
Nexperia SOT8015表面贴装封装产品采用塑料无引线超薄小外形封装,带侧面可湿性侧翼 (SWF)。SOT8015产品具有三个端子、0.65mm脚距和1.1mm x 1mm x 0.48mm主体。SOT8015封装的封装样式描述代码为HUSON(热增强超薄小外形,无引线),占位面积为1.4mmx1.8mm。Nexperia SOT8015器件具有2.52mm2 的占位面积。

特性

  • B(底部)端子位置代码
  • HUSON3封装类型描述代码
  • DFN1110D-3封装类型行业代码
  • HUSON(热增强型超薄小外形;无引线)封装类型描述代码
  • P(塑料)封装主体材料类型
  • MO-340BA JEDEC封装外形代码
  • S(表面贴装)表面贴装型
  • 无封装外形详情图形参考
  • 发行日期2019-11-29
  • SOT8015制造商封装代码
  • 占位面积尺寸为1.4mmx1.8mm
  • 2.52mm2 占位面积

封装摘要

图表 - Nexperia SOT8015表面贴装封装产品

视频

包装外形

Nexperia SOT8015表面贴装封装产品
发布日期: 2022-07-22 | 更新日期: 2025-10-23