特性
- UL certified no. E209204 (UL1557)
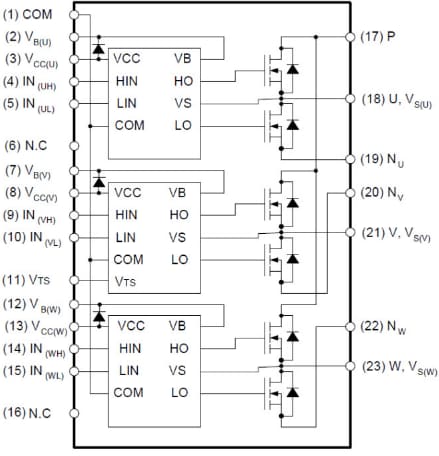
- FRFET or SuperFET MOSFET 3-phase inverter with gate drivers and protection
- Built-in bootstrap diodes that simplify PCB layout
- Separate open-source pins from low-side MOSFETs for three-phase current-sensing
- Active-HIGH interface, works with 3.3V/5V logic, and Schmitt-trigger input
- Optimized for low electromagnetic interference
- HVIC temperature-sensing built-in for temperature monitoring
- HVIC for gate driving and undervoltage protection
- 1500Vrms /1 min. isolation rating
- RoHS compliant
Block Diagram
视频
View Results ( 8 ) Page
| 物料编号 | 数据表 | 描述 | 工作电源电流 | 封装 / 箱体 |
|---|---|---|---|---|
| FSB50550BB | ![]() |
马达/运动/点火控制器和驱动器 V3 INV 500V 3OHM | 900 uA | SPM5T-21 |
| FSB50550AS | ![]() |
智能功率模 - IPM PWM Controller mWSaver | SPM5Q-23 | |
| FSB50450AS | ![]() |
智能功率模 - IPM Smart Power Module | SPM-23 GD | |
| FSB50250AS | ![]() |
智能功率模 - IPM Smart Power Module | SPM-23 GD | |
| FSB50250AT | ![]() |
智能功率模 - IPM Smart Power Module | SPM-23 ED | |
| FSB50825AS | ![]() |
智能功率模 - IPM 250V, 2A, 3PHASE FRFET SMRT PWR MDLE | SPM5Q-23 | |
| FSB50550AB | ![]() |
智能功率模 - IPM Motion SPM | SPM23DD-21 | |
| FSB50550AT | ![]() |
智能功率模 - IPM Smart Power Module | SPM5N-23 |
发布日期: 2014-08-04
| 更新日期: 2024-01-05


