onsemi NCP51563栅极驱动器
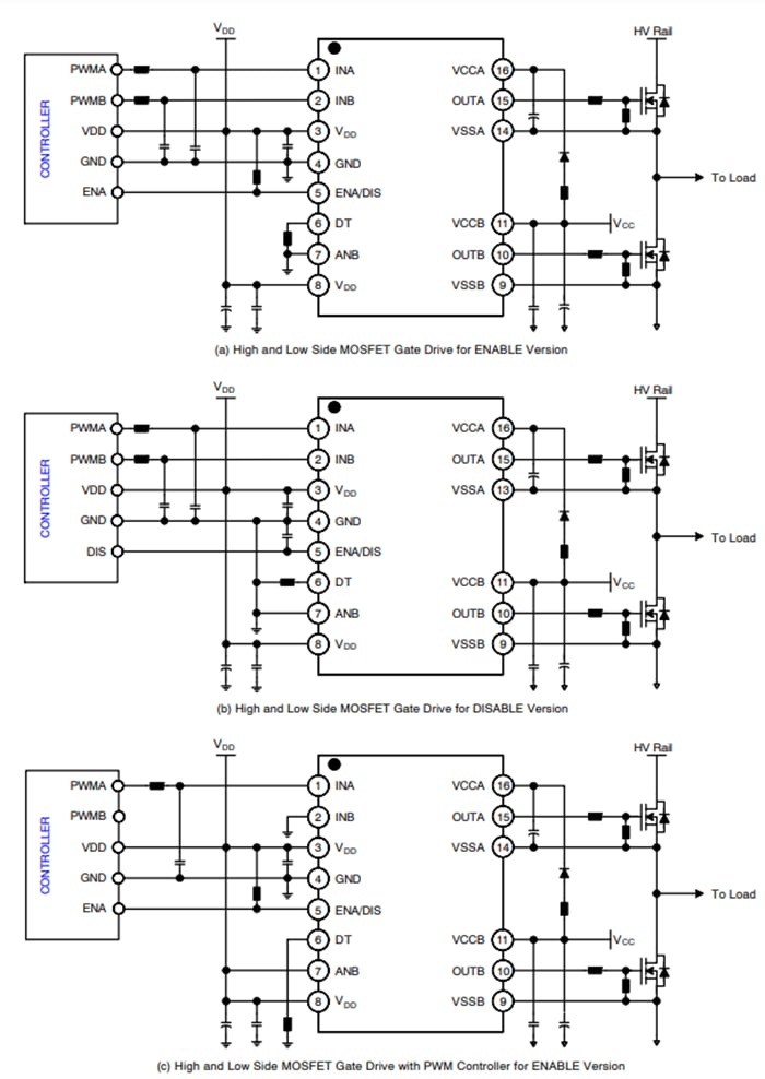
安森美 NCP51563栅极驱动器是隔离式双通道驱动器,设计用于快速开关,以驱动功率MOSFET和SiC MOSFET电源开关。这些驱动器具有较短的匹配传播延迟。NCP51563栅极驱动器具有4.5A峰值拉电流和9A峰值灌电流输出能力 这些栅极驱动器的工作结温范围为-40°C至150°C。NCP51563驱动器 可以用于两个低侧、两个高侧开关或一个具有可编程死区时间的半桥驱动器的可能配置。这些驱动器具有各种保护功能,例如针对栅极驱动器的独立欠压闭锁和死区时间调整功能。应用包括电机驱动器、直流/直流和交流/直流电源中的隔离式转换器、服务器、电信、工业基础设施以及UPS和太阳能逆变器。特性
- 灵活:
- 双通道低侧、双通道高侧或半桥栅极驱动器
- 4.5A峰值拉电流、9A峰值灌电流输出能力
- 独立UVLO保护,用于两个输出驱动器
- 输出电源电压范围为6.5V至30V,5V和8V给MOSFET,13V和17V UVLO给SiC(阈值)
- 共模瞬态抑制CMTI >200V/ns
- 传播延迟:36ns(典型值)
- 每通道最大延迟匹配:5ns
- 最大脉冲宽度失真:5ns
- 用户可编程输入逻辑:
- 通过ANB实现单输入或双输入模式
- 启用或禁用模式
- 用户可编程死区时间
- 隔离和安全:
- 5kVRMS 隔离,持续1分钟(符合UL1577要求)
- 8000VPK增强型隔离电压(符合VDE0884-11要求)
- 通过GB4943.1-2011的CQC认证
- 通过IEC 62386−1的SGS FIMO认证
- 无铅器件
应用
- 电机驱动器
- 直流/直流和交流/直流电源的隔离式转换器
- 服务器、电信和工业基础设施
- UPS和太阳能逆变器
框图
典型应用图
发布日期: 2023-08-11
| 更新日期: 2023-11-20
