安森美半导体NCV51563隔离式双通道栅极驱动器提供两个独立的5kVRMS(符合UL1577标准)电流隔离栅极驱动器通道。这两个通道提供了两个低侧、两个高侧开关或具有可编程死区时间的半桥驱动器的多种可能配置。
NCV51563具有众多保护功能,包括针对栅极驱动器的独立欠压闭锁和死区时间调整功能。
特性
- 灵活的双通道低侧、双通道高侧或半桥栅极驱动器
- 4.5A峰值拉电流、9A峰值灌电流输出能力
- 独立UVLO保护,用于两个输出驱动器
- 输出电源电压为6.5V至30V,阈值:MOSFET为5V和8V,SiC为13V和17V UVLO
- 共模瞬态抑制CMTI >200V/ns
- 传播延迟:36ns(典型值)
- 每通道最大延迟匹配:5ns
- 最大脉宽失真:5ns
- 用户可编程输入逻辑
- 通过ANB实现单输入或双输入模式
- 启用或禁用模式
- 用户可编程死区时间
- 符合AEC-Q100标准,满足汽车应用要求
- 隔离和安全
- 5kVRMS 隔离持续1分钟(符合UL1577要求)
- 8000VPK增强型隔离电压(符合VDE0884-11要求)
- 通过GB4943.1-2011 CQC认证
- SGS FIMO认证,符合IEC 62386−1标准
- 无铅器件
应用
- 车载充电器
- XEV直流-直流转换器
- 牵引逆变器
- 充电站
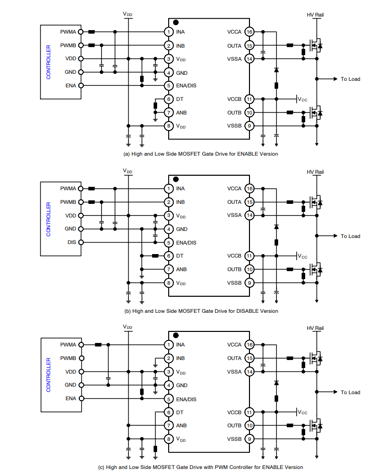
典型应用电路
框图
发布日期: 2022-08-23
| 更新日期: 2023-08-11

