onsemi NVH640S75L4SPx igbt模块
安森美半导体NVH640S75L4SPx IGBT模块是来自VE-Trac™ Direct系列高度集成电源模块的汽车场终止4型(FS4)电源模块。这些模块在750V和640A电压下工作,采用单侧直接冷却的6包式配置。这样可提供大电流密度,同时提供强大的短路保护和更高的阻断电压。NVH640S75L4SPx模块具有超低杂散电感、175°C连续工作温度、快速恢复二极管芯片技术以及4.2kV隔离式DBC基板。这些IGBT模块易于集成6包式拓扑结构,无铅,符合RoHS指令。NVH640S75L4SPx IGBT模块 符合UL 94 V-0可燃性等级。这些IGBT模块适用于混合动力和电动汽车牵引逆变器以及 大功率转换器。特性
- 直接冷却,带集成引脚式散热片
- 超低杂散电感
- Tjmax = 175°C连续工作
- 低VCESAT 和开关损耗
- 符合AQG324标准的FS4 750V窄台IGBT
- 高度集成的6包式拓扑
应用
- 混合动力和电动汽车牵引逆变器
- 大功率转换器
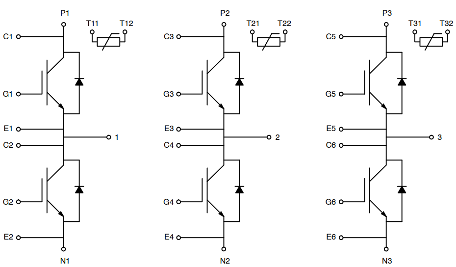
引脚说明
发布日期: 2024-02-21
| 更新日期: 2024-03-10
