onsemi NVH950S75L4SPx IGBT电源模块
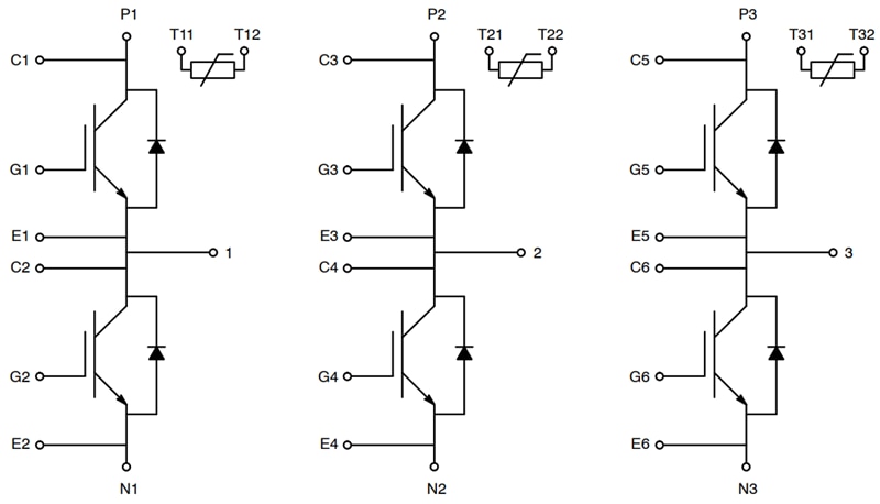
安森美半导体NVH950S75L4SPx IGBT电源模块源自VE-Trac™ Direct系列高度集成的电源模块,采用行业标准引脚布局。 这些电源模块是汽车用高性能单侧直接冷却三相、6包式模块,具有750V集电极-发射极电压和950A实施集电极电流。NVH950S75L4SPx模块采用6包式配置,集成了六个场终止4型(FS4)750V窄台IGBT。6包式拓扑结构提供大电流密度,同时提供强大的短路保护和更高的阻断电压。这些模块 在基板上设有经过优化的引脚式散热片。NVH950S75L4SPx IGBT模块符合RoHS指令,满足UL 94 V-0可燃性等级要求。这些IGBT模块适用于混合动力和电动汽车牵引逆变器以及 大功率转换器。特性
- 直接冷却,带集成引脚式散热片
- 超低杂散电感
- Tvjmax = 175°C连续工作
- 低VCESAT 和开关损耗
- 汽车级FS4 750V窄台IGBT
- 快速恢复二极管芯片技术
- 4.2kV隔离式DBC基板
- 易于集成6包式拓扑结构
- 该器件无铅,符合RoHS指令
应用
- 混合动力和电动汽车牵引逆变器
- 大功率转换器
引脚说明
发布日期: 2024-02-22
| 更新日期: 2024-03-11
