onsemi NVXR17S90M2SPx EliteSiC功率模块
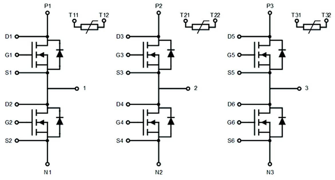
安森美(onsemi)NVXR17S90M2SPx EliteSiC功率模块可提高效率、功率密度和整体性能。 安森美(onsemi)NVXR17S90M2SPx模块在便捷式六组配置中集成了900V SiC MOSFET。 该模块设有用于信号端子的压配引脚,可轻松组装并提高可靠性。此外,该器件在基板上设有经过优化的引脚-翅片散热片,可实现有效散热。裸片连接采用烧结技术,提高了可靠性和散热性能,符合AQG324汽车标准。
特性
- 直接冷却,带集成引脚-翅片散热片
- 氮化硅隔离器
- Tvj.Max =+175°C,连续运行
- 汽车级碳化硅MOSFET芯片技术
- 烧结裸片技术,实现高可靠性
- 易于集成6组拓扑
- 符合汽车模块AQG324标准
- 无铅,符合RoHS指令
- 典型应用包括混合动力和电动汽车牵引逆变器
应用
- 转换器直流电池输出,为交流牵引电机供电
- 大功率直流-直流转换器
相关模块
采用紧凑型兼容封装,具有更高的性能、效率和功率密度。
了解EliteSiC详情
可满足太阳能逆变器和电动汽车充电器等严苛应用的需求。
发布日期: 2024-02-05
| 更新日期: 2024-06-18