onsemi NVXR22S90M2SPx EliteSiC功率模块

安森美(onsemi)NVXR22S90M2SPx EliteSiC功率模块采用紧凑型兼容封装,具有更高的性能、效率和功率密度。  安森美(onsemi)NVXR22S90M2SPx模块设有采用六组配置的900V SiC MOSFET,设有压配引脚,便于组装和提高可靠性。 该器件在基板上包含一个经过优化的引脚-翅片散热片,并采用烧结技术,以实现可靠性和热效率。该模块的设计符合AQG324汽车标准。

特性

  • 直接冷却,带集成引脚-翅片散热片
  • 氮化硅隔离器
  • Tvj.Max =+175°C,连续运行
  • 汽车级碳化硅MOSFET芯片技术
  • 烧结裸片技术,实现高可靠性
  • 易于集成6组拓扑
  • 符合汽车模块AQG324标准
  • 无铅,符合RoHS指令

应用

  • 转换器直流电池输出,为交流牵引电机供电
  • 大功率直流-直流转换器

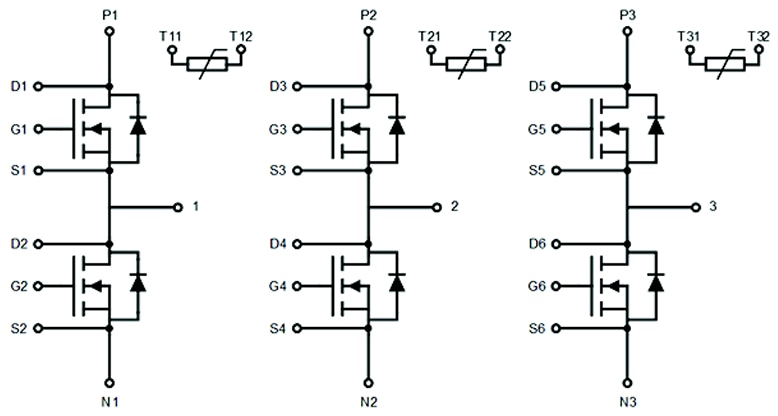
引脚说明

onsemi NVXR22S90M2SPx EliteSiC功率模块
发布日期: 2024-02-05 | 更新日期: 2024-06-18