特性
- 超低噪声系数
- 高增益宽带性能
- 低功耗
- 无铅,符合RoHS指令
- 3mm x 3mm QFN封装
规范
- 频率范围:10.7GHz至12.7GHz
- 增益:18dB
- 噪声系数:1.07dB
- 电源电流:32mA
- 漏极电压:5.5Vdd
- 栅极电压:3.3Vgg
- 功率损耗:921mW
- 热阻:70°C/W
- 工作温度范围:-40 °C至+85 °C
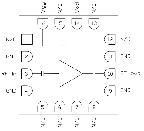
框图
应用电路
应用
- 雷达
- X波段
- Ku波段
- EW
- 空间
- 卫星通信 (Satcom)
- 相控阵
发布日期: 2020-05-22
| 更新日期: 2024-08-22

