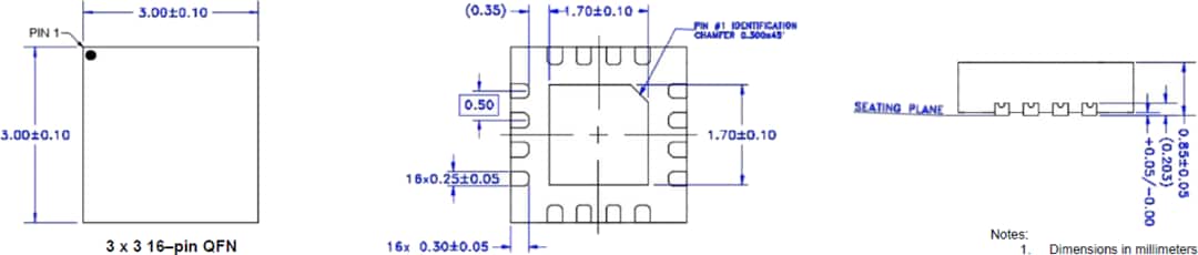
Qorvo QPL1819 75Ω CATV放大器采用3.0mm x 3.0mm四方扁平无引线 (QFN) 封装,非常适合用于空间受限的设计。
特性
- 频率范围:50MHz至1800MHz
- 电源电压:5V
- 电源电流:120mA
- TCP:63dBmV (45 MER)
- 增益:20dB(典型值)
- 增益斜率:0.3dB
- 噪声系数:1.7dB(50MHz/1800MHz时)
- 可通过外部电阻进行偏置调整
- 热阻:57°C/W
- 工作温度范围:-40°C至+100°C
- 3.0mm x 3.0mm QFN-16封装
- 无铅、无卤、符合RoHS指令
应用
- DOCSIS 4.0放大器
- DOCSIS 4.0光节点
- DOCSIS 4.0远程PHY设备
- FTTH GPON和GEPON
- DOCSIS 4.0电缆调制解调器和家庭网关
- 单端增益模块
框图和引脚分配
封装外形
发布日期: 2022-06-15
| 更新日期: 2022-06-17

