Renesas Electronics ISL81802双路同步降压控制器
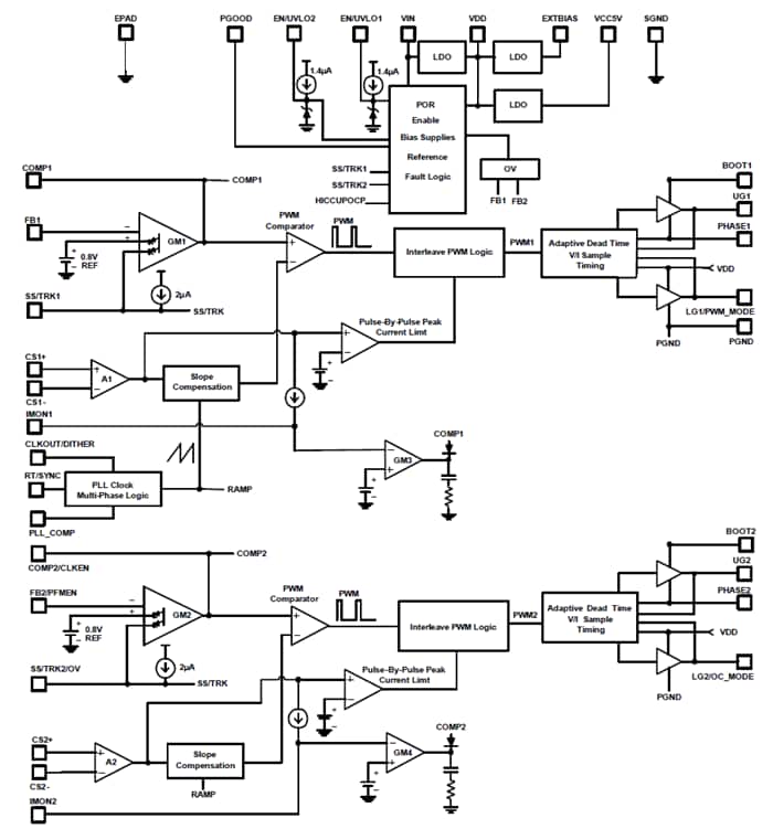
Renesas Electronics ISL81802双路同步降压控制器设计用于生成两个独立输出或一个带两个交错相位的输出。这些控制器为两个输出提供了相位交错的峰值电流模式控制。ISL81802控制器还具有可编程软启动和精确阈值使能功能,设有电源良好指示器用来简化电源轨排序。这些控制器工作在4.5V至80V的输入电压范围、100kHz至1MHz的可编程频率范围,关断电流仅5µA。ISL81802控制器提供过电压保护 (OVP)、欠电压保护 (UVP)、一次性可编程存储器 (OTP),以及两个输出上的平均电流和峰值电流限制,可靠性高。这些控制器用在电信、数据中心、汽车电子、工业设备和电源系统中。µ特性
- 4个具有自适应击穿保护的MOSFET驱动器
- 轻负载效率增强、低纹波二极管仿真和突发模式操作
- 可编程软启动
- 支持启动至预偏置轨
- 外部时钟同步
- 由PLL或频率抖动精确控制相位角的时钟输出
- 输出电流监控器
- 恒定输出电压和输出电流反馈环路控制
- 支持级联相位交错的电流共享
- PGOOD指示器
- 模式可在PWM/DE/Burst之间选择
- 4.5V 到 80V 的输入电压范围
- 输出电压范围:0.8V至76V
- 低关断电流:5µA
- 可编程频率频率:100kHz至1MHz
- 精确的EN/UVLO阈值:±2%
应用
- 电信
- 服务器和数据中心
- 汽车电子设备
- 工业设备
- 电源系统
方框图
典型应用图
发布日期: 2020-12-17
| 更新日期: 2023-12-11
