Renesas Electronics ISL81801 80V降压-升压控制器
Renesas Electronics ISL81801 80V降压-升压控制器是真双向四开关控制器,在两端都提供峰值电流和平均电流检测及监控。这些控制器采用专有的降压-升压控制算法,并具有用于升压模式的谷值电流调制和用于降压模式控制的峰值电流调制。ISL81801控制器支持级联相位交错的并行操作电流共享,并可选PWM模式操作(在PWM/DE/突发模式之间选择)。这些控制器工作在4.5V至80V的输入电压范围、0.8V至80V的宽输出电压范围,以及100kHz至600kHz的可编程频率范围。ISL81801控制器采用TQFN和HTSSOP封装,使用EPAD提高散热性能和抗噪性。这些控制器用在电池备份、冗余电源、医疗设备、安防监控、汽车售后市场、可再生能源和电池供电的工业应用中。特性
- 单电感器四开关降压升压控制器
- 实时双向操作,可在两端独立控制电压和电流
- 实现平滑模式过渡的专有算法
- 带自适应击穿保护的MOSFET驱动器
- 支持级联相位交错的并行操作电流共享
- 外部同步时钟输出或频率抖动
- 输出和输入电流监控器
- 精确的EN/UVLO和PGOOD指示器
- 支持启动至预偏置轨
- 外部偏置让8V至36V输入有更高效率
- 可选PWM模式操作(在PWM/DE/突发模式之间选择)
- 可编程频率范围:100kHz至600kHz
- 4.5V 到 80V 的输入电压范围
- 输出电压范围:0.8V至80V
- 低关断电流:2.7µA
应用
- 电池备用供电
- UPS/储能系统
- 电池供电工业应用
- 可再生能源
- 汽车售后市场
- 冗余电源
- 机器人和无人机
- 医疗设备
- 楼宇和工业自动化
- 安全监控
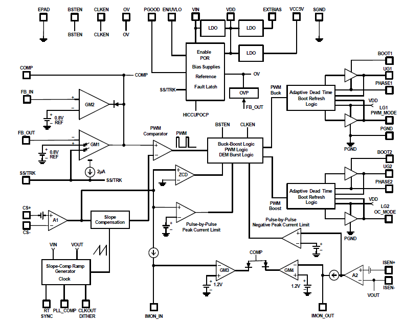
框图
典型应用图
发布日期: 2020-12-15
| 更新日期: 2023-12-11
