特性
- 开关可选EN或选项,通过外部信号驱动
- 内部和外部补偿选项
- 内部和外部RT选项
- 内部和外部软启动选项
- 频率同步和扩频选项
- 可调延迟时间选项
- 可选择将EBIAS连接到VOUT或通过外部源驱动
- 输出电压可通过外部反馈电阻器进行编程
- 可选择使用内部反馈电阻器实现3.3V VOUT
- 连接器和测试点,便于探测和数据采集
规范
- 输入电压范围:4.5V至60V
- 输出电压:3.3V
- 输出电流能力:高达5A
- 内部设置开关频率:500kHz
- 内部补偿
- 内部软启动:2ms
- 启动/关断延迟:2ms
- EBIAS 连接到VOUT
- 工作温度范围:-40°C至+125°C
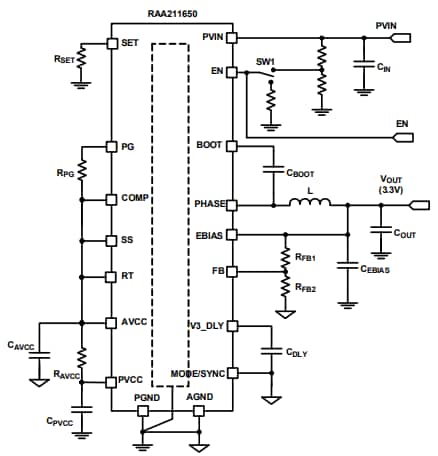
框图
发布日期: 2021-09-01
| 更新日期: 2023-04-28

