ROHM Semiconductor BD7693FJ功率因数校正控制器采用4.9mm x 6.0mm SOP-J8封装,工作温度范围为-40°C至+105°C。
特性
- 边界传导模式PFC
- 输入电压范围:10V至38V
- 低THD电路集成
- 低工作电流:58mA
- VCC UVLO功能
- 通过辅助绕组实现ZCD
- 通过VS引脚实现静态OVP
- 误差放大器输入短路保护
- 稳定的MOSFET栅极驱动
- 软启动
- 工作温度范围:-40°C至+105°C
- 4.9mm x 6.0mm x 1.65mm SOP-J8封装
应用
- 照明设备
- 交流适配器
- 白色家电
典型应用电路
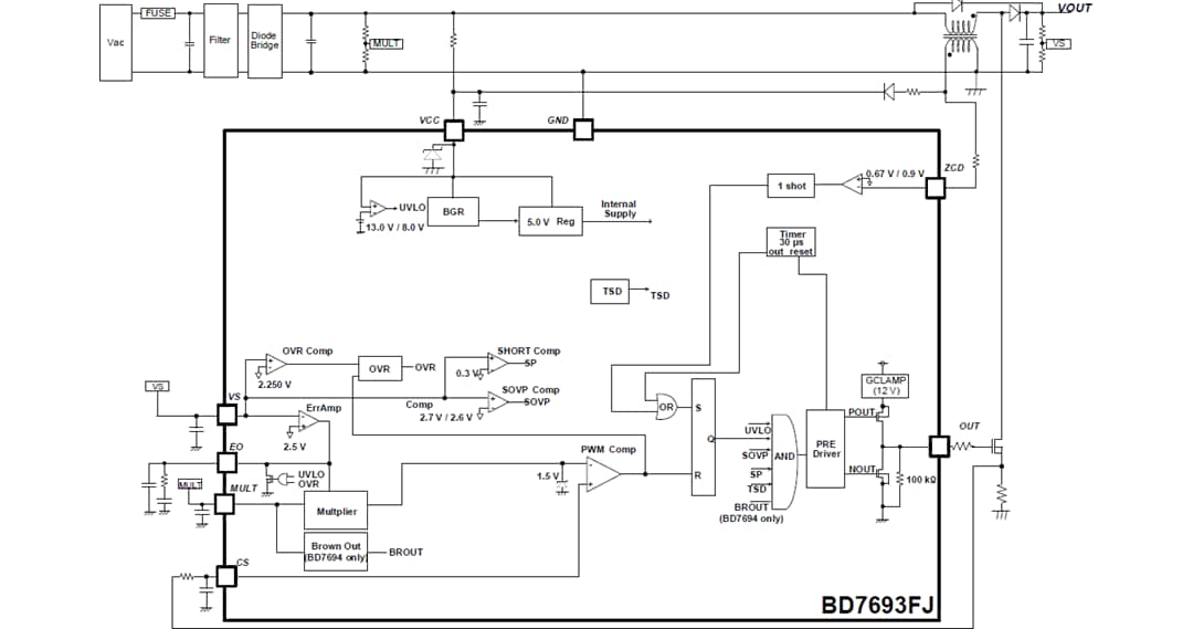
框图
发布日期: 2021-08-05
| 更新日期: 2022-03-11
