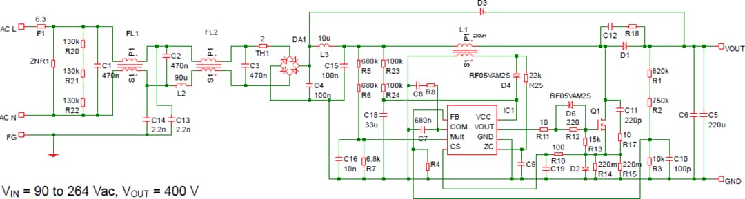
ROHM Semiconductor BD7693FJ-EVK-001评估板设有BD7693FJ PFC控制器,采用4.9mm x 6.0mm SOP-J8封装。该评估板提供基于BD7693FJ的示例参考电路,具有400V输出,输入电压范围为90V至264VAC。
特性
- 输入电压范围 (VIN):90V至264VAC
- 输入频率 (fLINE):50/60Hz
- 输出电压 (VOUT):376V至414V,395V(典型值)
- 最大输出功率 (POUT):200W
- 输出电流范围 (IOUT):0A至0.5A
- 总谐波失真 (THD):3.6%(典型值)
- 0.97PF(230VAC,IOUT=0.5A时)
- 效率 (η):96%
- 输出纹波电压 (VR):11Vpp
- 最短保持时间 (THOLD):20ms
- 工作温度范围 (Topr):-10°C至+65°C
- PCB:200mm x 112mm
必要设备
- 90V至264VAC 电源,200W 或更高
- 0.5A电子负载,支持500V输入电压
- 万用表
- 功率计
板布局
接线图
应用电路
发布日期: 2021-08-05
| 更新日期: 2022-03-11
