特性
- FR-4 material
- 1.6mm board thickness
- 1oz copper thickness
- 80mm x 100mm board size
- 0.15mm minimum copper width
- 0.15mm minimum air gap
- 0.3mm minimum hold gap
应用
• 工业设备
• 消费类电子产品
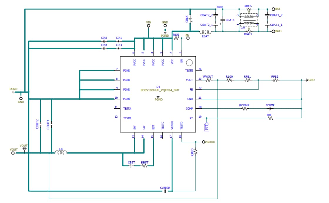
原理图
布局
发布日期: 2019-05-09
| 更新日期: 2024-01-24
