BD9V10xMUF配置
BD9V10xMUF DC/DC转换器以2MHz开关频率实现24:1的高降压比。此系列降压转换器以单级降压系统替代了48V轻混动汽车电源系统的现有两级降压系统。这个特性降低了空间需求,简化了电源系统,为汽车子系统提供了可以避免AM射频干扰的小型化解决方案。
Nano Pulse Control™
BD9V10xMUF降压转换器为电源IC提供了9ns的超低开关导通时间,实现了24:1的降压比,这是因为此系列器件采用了Nano Pulse Control™技术,它运用了超快速脉冲控制电路和高压BiCDMOS工艺。9ns的开关导通时间是传统ROHM产品典型导通时间的1/10。
特性
- Nano Pulse Control™可以在2.1MHz工作频率下直接从60V电源供电转换为3.3V
- SW最低导通时间20ns(最大值)
- 集成功率MOSFET的同步开关稳压器
- 软启动功能
- 电流模式控制
- 过流保护
- 输入欠压锁定保护和输入过压锁定保护
- 热关断保护
- 输出过压保护
- 短路保护
- 可润湿侧翼QFN封装
规范
- 16V至60V输入电压范围
- 0.8V至5.5V输出电压范围
- 最大1A输出电流
- 1.9MHz至2.3MHz工作频率
- ±2%参考电压精度
- 0µA(典型值)关断电流
- 工作温度范围
- -40°C至125°C(BD9V100MUF-CE2)
- -40°C至150°C(BD9V101MUF-LB)
应用
- 工业设备
- 消费性电子产品
BD9V10xMUF降压转换器框图
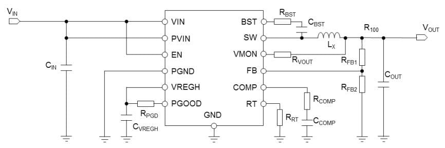
BD9V10xMUF降压转换器应用电路
视频
发布日期: 2018-04-03
| 更新日期: 2023-02-24
