ROHM Semiconductor RB-D610Q327TB48板设计灵活,提供多种电源选项和编程/调试接口,便于软件开发和故障排除。凭借ML610Q327的低功耗特性,该参考板非常适合用于物联网设备、消费类电子产品和工业控制系统等高能效应用。紧凑的设计和稳健的功能使其成为快速原型设计和高效产品开发的宝贵工具。
特性
- 与LAPIS ML610Q327 8位MCU结合使用
- 可与片上调试工具 EASE1000 V2 和软件开发环境(DUT8和MWU16)结合使用,以实现以下操作:
- MCU控制软件的开发和调试
- 将编程控制和声音代码数据添加到MCU内部Flash-ROM
- MCU语音播放
- 灵活的I/O接口
- 板载外设
- UART通信端口
- 灵活的电源选项
- 编程和调试接口
- 低功耗运行
- 2 V至5.5 V工作电源电压范围
- 尺寸:93.98mmx55.88mmx18mm(宽x深x高)
应用
- 消费类电子产品
- 物联网 (IoT) 设备
- 汽车电子设备
- 工业自动化
- 玩具和教育产品
- 安防系统
- 可穿戴设备
概述
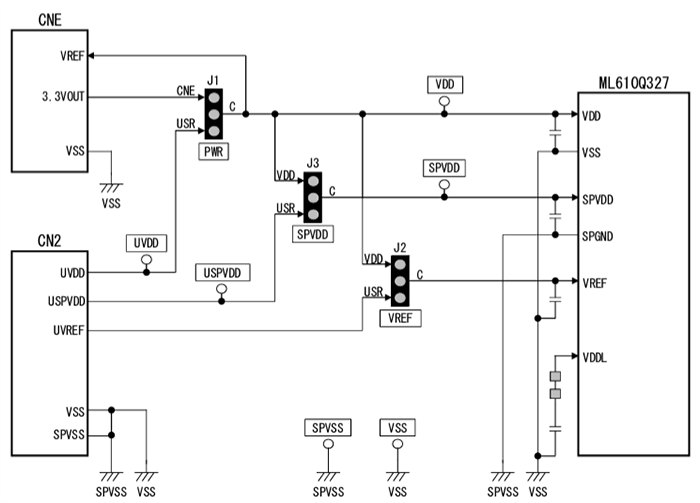
电源电路
PCB布局
发布日期: 2024-12-20
| 更新日期: 2024-12-27
