ROHM Semiconductor RB-D610Q338TB52板灵活的电源选项确保了与各种外部元件的兼容性,其在线串行编程(ICSP)接口可轻松进行编程和调试。RB-D610Q338TB52针对低功耗进行了优化,是物联网设备和便携式产品等高能效应用的理想之选。该参考板设计紧凑,全面支持开发和调试,是开发人员使用LAPIS ML610Q338 MCU的重要工具。
特性
- 与LAPIS ML610Q338 8位微控制器配合使用
- 可与片上调试工具 EASE1000 V2 和软件开发环境(DUT8和MWU16)结合使用,实现以下功能:
- 开发和调试MCU控制软件
- 将控制和声音代码数据编程到MCU内部Flash-ROM中
- 由MCU播放语音
- 灵活的输入/输出接口
- 机载外设
- UART通信端口
- 灵活的电源选项
- 编程和调试界面
- 低功耗运行
- 2 V至5.5 V工作电源电压范围
- 93.98mmx55.88mmx18mm(宽x深x高)尺寸
应用
- 消费类电子产品
- 物联网 (IoT) 设备
- 汽车电子
- 工业自动化
- 玩具和教育产品
- 安全系统
- 可穿戴设备
概述
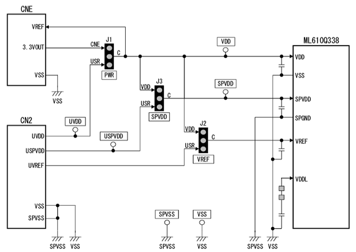
电源电路
PCB布局
发布日期: 2024-12-20
| 更新日期: 2024-12-27
