VNHD7008AY器件采用PowerSSO-36裸露焊盘封装,从而优化耗散性能。输入信号INA和INB可以直接连接微控制器,以选择电机方向和刹车条件。提供两个选择引脚(SEL0和SEL1),方便微控制器处理MultiSense上的信息。MultiSense引脚支持监视电机电流,提供的电压与电池值成正比,以及监视芯片的温度。
特性
- 简单的单IC应用板,专门用于VNHD7008AY
- 提供电气连接和散热装置,便于原型设计
- 板尺寸:45mmx65mm
- 符合RoHS指令
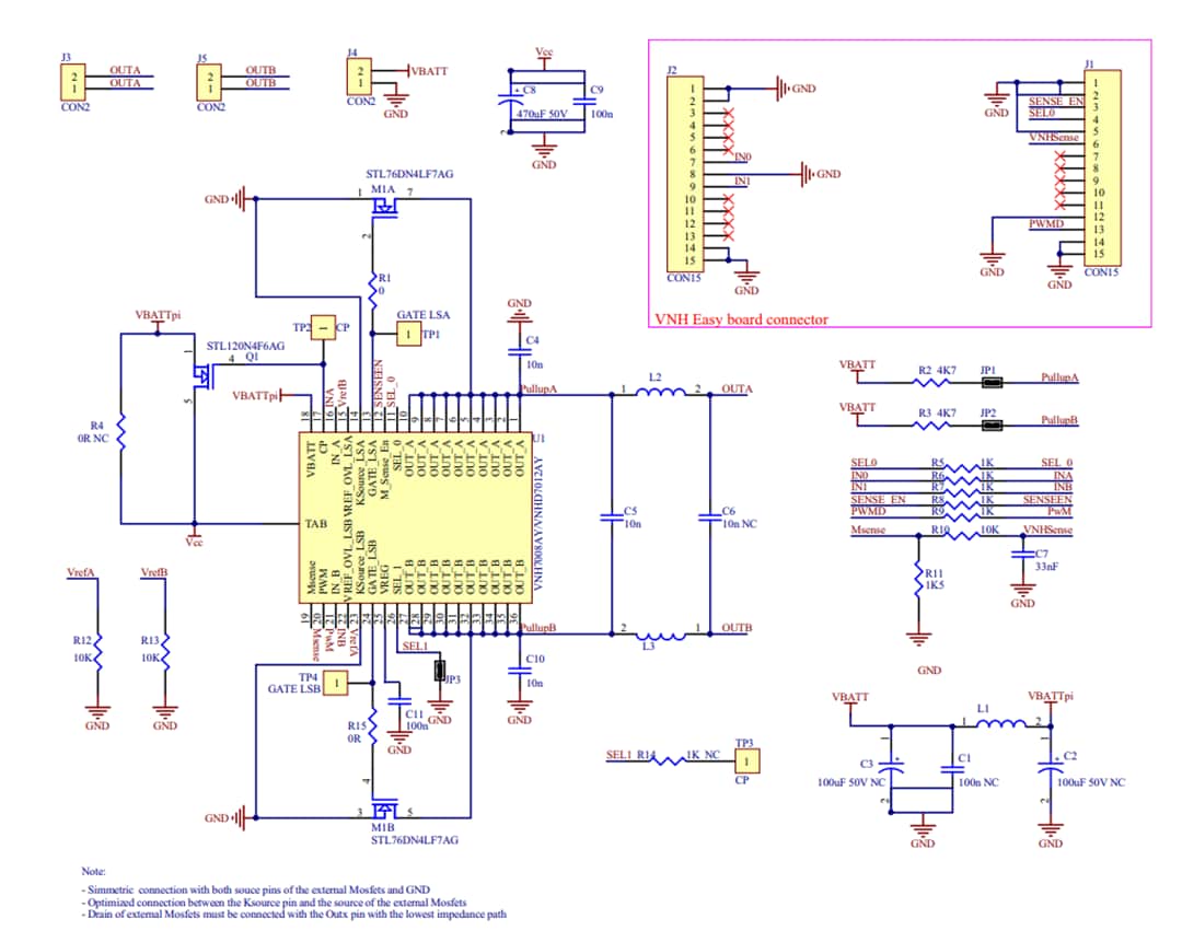
原理图
发布日期: 2018-12-10
| 更新日期: 2023-02-27

