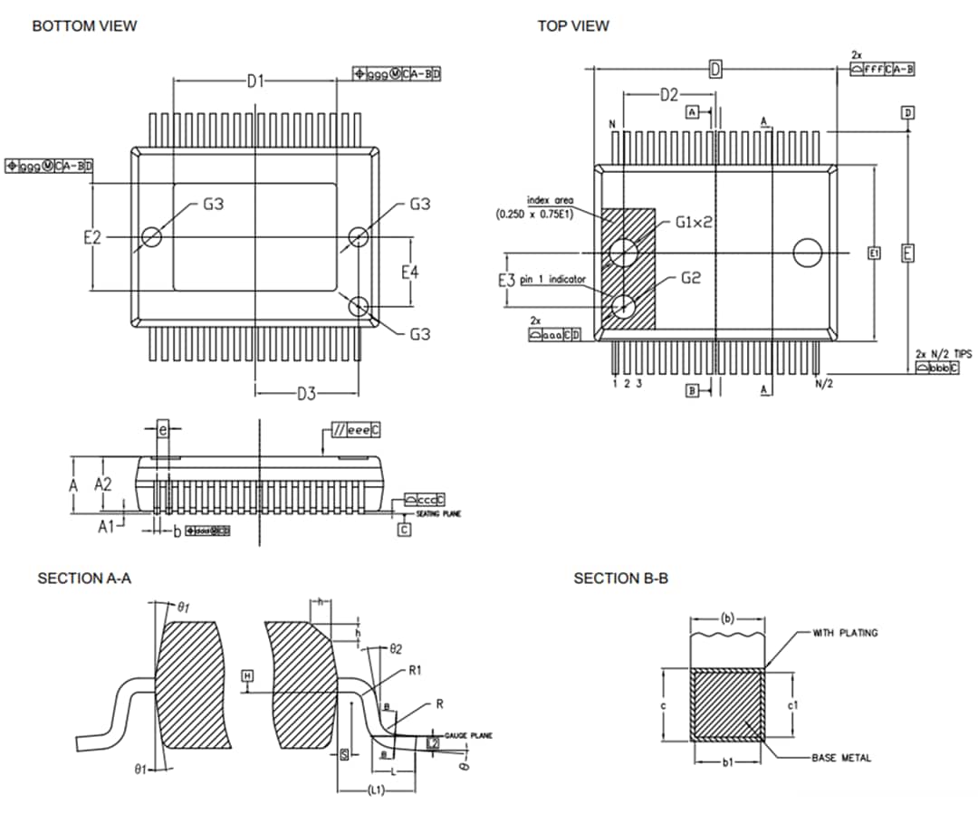
VNHD7008AY电机驱动器采用VIPower® M0技术,让器件可以有效集成在同一裸片上,真正带有智能信号/保护电路的PowerMOSFET。VNHD7008A采用PowerSSO-36裸露焊盘封装,从而优化耗散性能。
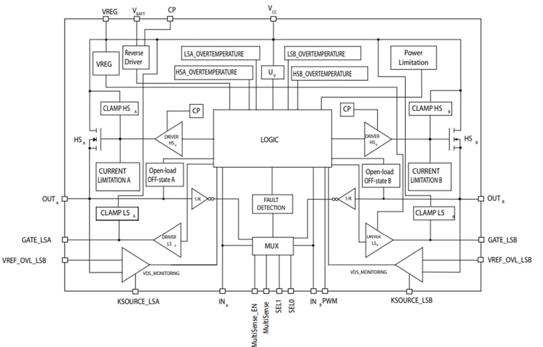
输入信号INA和INB可以直接连接微控制器,以选择电机方向和刹车条件。提供两个选择引脚(SEL0和SEL1),方便微控制器处理MultiSense上的信息。MultiSense引脚支持监视电机电流,提供的电压与电池值和芯片温度信息成正比。集成的保护功能:负载电流限制、过载有源功率限制(带闭锁)、过热关断(带闭锁)和交叉电流保护。
特性
- 符合AEC-Q100标准
- 输出电流 (Iout):51A
- 受到全面保护的双通道HSD,具有MultiSense反馈功能
- 两个集成驱动器,用于外部LSD
- 3V CMOS兼容输入
- 保护特性:
- 欠压关断
- 过压钳位
- 热关断
- 负载电流限制
- 快速热瞬态的自限制(功率限制)
- 交叉电流保护
- 击穿保护
- 接地损耗和VCC损耗
- 静电放电保护
- 外部功率MOSFET的漏极和源极电压监控,可通过外部电阻进行配置(电池短路保护)
- RDS(on) 8mΩ(每通道典型值)
- 用于外部LSD的PWM工作频率高达20kHz
- MultiSense监控功能模拟电机电流反馈
- 芯片温度监控
- 电池电压监控
- MultiSense诊断功能
- 输出对地短路检测
- 热关断指示
- 断态开路检测
- 输出短路到VCC检测
- 待机模式
- 半桥运行
- 电荷泵输出,用于反向电池保护
- 工作结温范围:-40°C至+150°C
- 储存温度范围:-55°C至+150°C
- ECOPACK® PowerSSO-36封装
应用
- 电动车窗
- 座椅位置
- 遮阳帘
- 电动电梯门
视频
框图
封装外形
发布日期: 2018-12-10
| 更新日期: 2023-02-27

