STMicroelectronics IPS1025H、IPS1025H-32与IPS1025HF开关IC
STMicroelectronics IPS1025H、IPS1025H-32与IPS1025HF开关IC是单通道高侧开关IC,可驱动一侧接地的电容、电阻或电感负载。这些开关IC具有非常低的RDS-ON(≤25mΩ至TJ = 125°C),因此适合用于稳态工作电流高达2.4A/5.6A的应用。IPS1025H、IPS1025H-32与IPS1025HF开关IC具有外壳过热保护、接地断开保护、VCC 过压保护和欠压锁定等特性。这些开关IC提供两套不同的激活阈值和限制电平(IPKH 、ILIMH和IPKL 、I LIML)用于智能驱动容性负载。IPS1025H、IPS1025H-32与IPS1025HF开关IC用于可编程逻辑控制、自动售货机、数字控制机和工业PC外设输入/输出应用。特性
- 8 V至60 V工作电源电压范围
- 智能驱动电容负载
- 欠压锁定
- VCC 过压保护
- 过热事件诊断引脚
- 电感负载的快速去磁
- 过载和过热保护
- 外壳过热保护
- 过载事件诊断引脚
- 接地断开保护
- 设计符合IEC 61000-4-2、IEC 61000-4-4和IEC 61000-4-5标准
- powerSSO-24封装
应用
- 可编程逻辑控制
- 工业PC外设输入/输出
- 数控机床
- 通用高侧开关
- 自动售货机
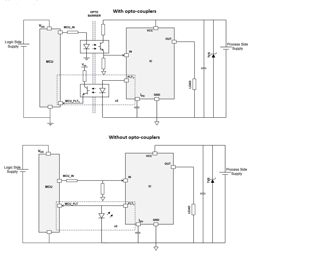
框图
典型应用图
发布日期: 2022-04-19
| 更新日期: 2025-04-07
