STM STEVAL-IFP040V1可通过5kV光耦合器(由GPIO引脚和Arduino® UNO R3连接器驱动)与STM32 Nucleo上的微控制器连接。该扩展板可连接NUCLEO-F401RE或NUCOG431RB开发板。用户还可以评估将STEVAL-IFP045V1堆叠在STEVAL-IFP040V1扩展板上的系统。
通过主电源轨为STEVAL-IFP045V1供电,通过STEVAL-IFP045V1输出为STEVALIFP040V1供电,用户可以实现安全系统单通道数字输出的典型架构。两个扩展板的工艺级可生成级联器件。连接STEVALIFP040V1生产的负载只有在两个级联系统正常运行时才能交付。
特性
- 基于IPS1025HF单通道高侧开关,具有以下特性:
- 工作电压范围:高达60V
- 低功耗 (RON(MAX)=25mΩ)
- 启动时传播延迟:<60μs
- 用于电感负载的快速衰减
- 智能驱动电容负载
- 欠压锁定
- 过载和过热保护
- QFN48L 8mm x 6mm封装
- 应用板工作范围:8V至33V/0A至2.5A
- 扩展工作电压范围(J3开路):高达60V
- 绿色LED,用于输出开/关状态(J11关闭3-4和SW5关闭1-2)
- 红色LED,用于过载和过热诊断(SW2和SW4关闭2-3)
- 输出电压开/关状态反馈(J11关闭1-2)
- 控制信号,用于输出电压快速放电(J11关闭5-6,J12关闭)
- 外部快速放电电路,用于大电感负载(J11关闭7-8)
- 5kV电隔离
- 电源轨反向极性保护
- 兼容STM32 Nucleo开发板
- 配备Arduino® UNO R3连接器
- 通过CE认证
- 符合RoHS指令和中国RoHS指令
- 未批准FCC转售
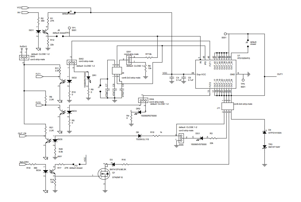
电路原理图
发布日期: 2022-09-25
| 更新日期: 2022-10-04

