STMicroelectronics STEVAL-1PS01DJR评估板
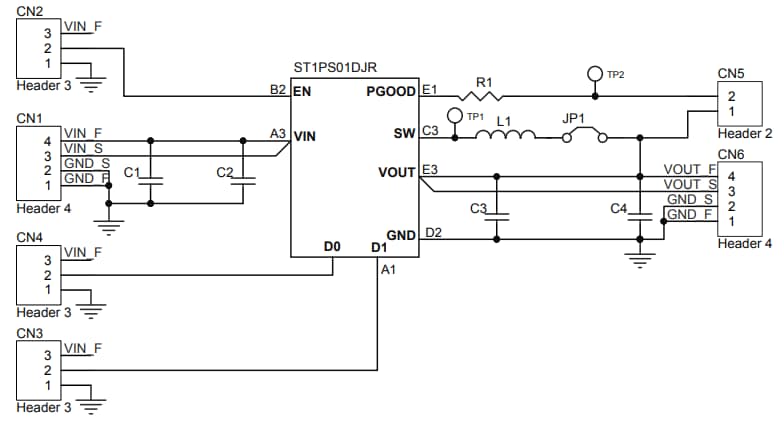
STMicroelectronics STEVAL-1PS01DJR评估板是一款用于ST1PS01DJR 400mA毫微静态电流同步降压转换器的开发工具。该转换器可提供高达400mA输出电流,输入电压范围为1.8V至5.5V。该评估板设计用于需要高效率、较小印刷电路板尺寸以及纤薄外形的应用。ST1PS01可以使用增强型峰值电流控制 (PCC),并通过2.2μH电感器和两个小电容器实现高效率转换。得益于先进的设计电路,因此静态电流极低。
特性
- 输入工作电压范围:1.8V至5.5V
- 高达400mA的输出电流能力
- L=2.2µH(典型值)外部元件
- 可选输出电压:1.8V至2.8V
- 动态输出电压选择(D0、D1)
相关产品
具有毫微静态电流的小型同步降压转换器,可提供高达400mA电流。
Complete Your Design
用于ST1PS01DJR 400mA毫微静态电流同步降压转换器的开发工具。
发布日期: 2019-05-30
| 更新日期: 2024-03-01