特性
- 符合AEC-Q100标准
- 1.5A直流输出电流
- 4V至38V工作输入电压
- 低功耗模式或低噪声模式
- 可编程ISKIP电流
- 轻负载时45μA IQ (LCM VIN = 12V)
- 8μA IQ-SHTDWN
- 可调fSW (250kHz - 2MHz)
- 5V固定输出电压VOUT
- 内置输出电压监控器
- 同步
- 可调软启动时间
- 内部电流限制
- 过压保护
- 输出电压排序
- 峰值电流模式架构
- 180mΩ RDS(on)HS和150mΩ RDS(on)LS
- 热关断
- 符合RoHS指令
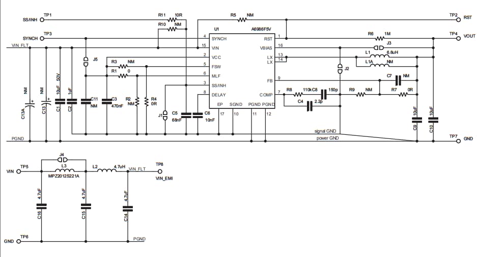
STEVAL-ISA189V1示意图
发布日期: 2016-05-20
| 更新日期: 2022-03-11

