STMicroelectronics STEVAL-VP318L2F转换器参考设计
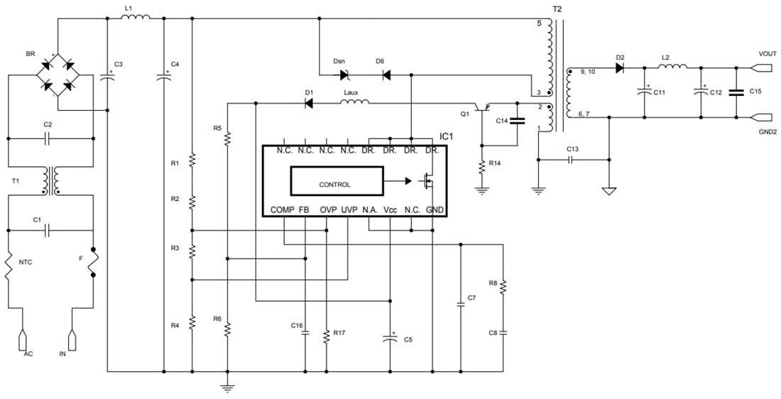
STMicroelectronics STEVAL-VP318L2F转换器评估板是一款一次侧调节 (PSR) 15V、18W隔离式反激转换器,开发用于90VAC至265VAC工作电压范围内的通用应用。该参考设计基于STMicroelectronics VIPerPlus系列的VIPER318LDTR离线高压转换器。该器件配有800V抗雪崩功率MOSFET、PWM电流模式控制、具有抖动功能的固定60kHz开关频率(符合电磁干扰规定)以及用于轻负载管理的突发模式。该评估板的主要特性包括小尺寸、较少BOM数量、高效率、以及整个输入和输出范围内的精确线路与负载调节。OVP和UVP引脚分别提供输入过压和欠压保护,具有独立和可设置的干预阈值。特性
- 通用输入电源电压范围:90VAC至265VAC
- 频率:50Hz至60Hz
- 输出电压:15V
- 1.2A输出电流
- 平均效率:>83%
- 在整个输入和输出范围内可实现精确的线路和负载调节
- 得益于频率抖动特性,即使使用较小的EMI滤波器,也能满足IEC55022 B类传导EMI要求
- 符合RoHS指令
电路原理图
发布日期: 2021-07-28
| 更新日期: 2022-03-11
