STMicroelectronics STGAP4S隔离式栅极驱动器
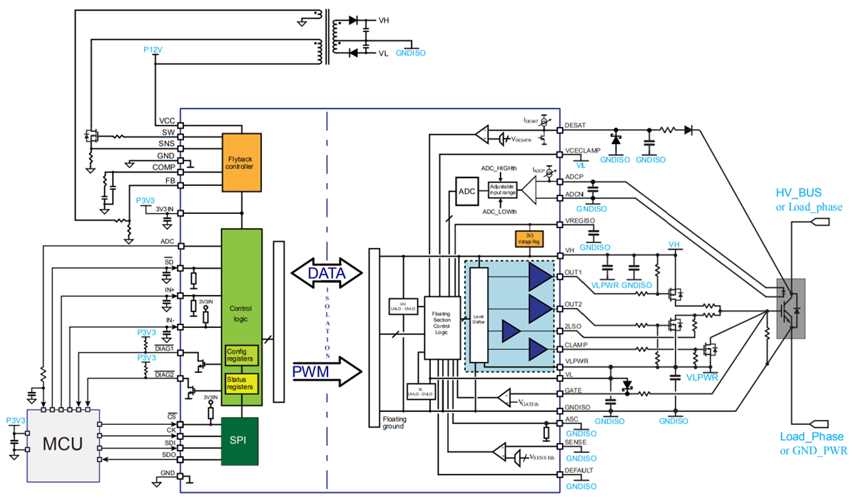
STMicroelectronics STGAP4S隔离式栅极驱动器是电隔离单通道栅极驱动器,用于IGBT和SiC MOSFET,具备高级保护、配置和诊断功能。此系列驱动器的架构通过真正的电气隔离,将通道栅极驱动与控制电路和低压接口电路隔离开来。STGAP4S驱动器集成了温度传感器和控制器,用于产生正负栅极驱动器电源电压的隔离式反激电源。该驱动器具有开漏诊断输出,而且可以通过SPI监控器件的详细状态。每个功能的参数均可通过SPI进行编程,因此该器件非常灵活,适用于各种应用。STGAP4S栅极驱动器适用于电动汽车(EV)逆变器、工业逆变器、电动汽车充电站、UPS设备、太阳能逆变器、AC/AC转换器和DC/DC转换器。特性
- 符合AEC-Q100标准
- 高达1200V高压轨
- 两个输出引脚,用于直接驱动外部MOSFET缓冲器
- 驱动器电流能力:
- OUT1:0.6/2.5A灌/拉电流
- OUT2:2.4/0.6A灌/拉电流
- 负栅极驱动能力
- dV/dt瞬变抗扰性:±100V/ns,全温度范围内
- 用于隔离反激式电源的集成控制器
- 有源米勒钳位驱动器,用于外部N沟道MOSFET
- 可编程去饱和检测
- 可编程过流检测
- 每个电源上可编程欠压闭锁 (UVLO) 和过压闭锁 (OVLO)
- 可编程输入毛刺滤波器
- 软关断
- VCE 有源钳位
- 两路诊断状态输出
- 异步停止命令
- 隔离式8位模数转换器
- 集成式温度传感器
- 可编程死区,发生违规错误
- SPI接口,用于参数编程和扩展诊断
- 温度警告及关断保护
- 针对保护功能的自诊断例程
应用
- EV/HEV用逆变器
- 600/1200V工业逆变器
- 电动车充电站
- UPS 设备
- 交流/交流转换器
- 直流/直流转换器
- 太阳能逆变器
框图
典型应用电路
其他资源
视频
发布日期: 2024-03-15
| 更新日期: 2025-08-12
