STMicroelectronics STISO621双通道数字隔离器
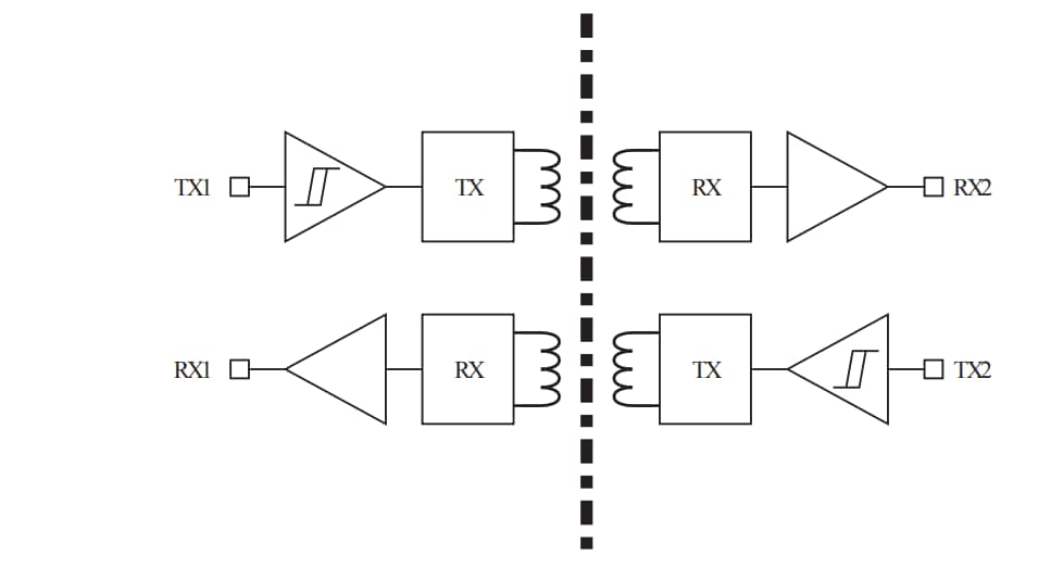
STMicroelectronics STISO621双通道数字隔离器的数据速率高达100Mbps,基于ST厚氧化物电流隔离技术。STM STISO621数字隔离器具有两个方向相反的独立通道,包括施密特触发器输入。通过这些选项可实现噪声抑制以及高速输入/输出切换。
特性
- 具有1-1通道方向的双通道数字隔离器
- 数据速率高达100Mbps
- 工作温度范围:-40°C至+125°C
- 高共模瞬态抑制:>50kV/µs
- 电源电平:3V至5.5V
- 3.3V和5V电平转换
- 低功耗
- 脉宽失真:<3ns
- 6kV电隔离
相关产品
数据速率高达100Mbps,基于ST厚氧化物电流隔离技术。
相关开发工具
可对STISO系列的双通道数字 隔离器进行全面评估。
安全的双通道数字I/O扩展板,与STM32 Nucleo兼容。
助您完成设计
各种可直接替换器件,适用于通用模拟IC、分立元件和串行EEPROM。
发布日期: 2020-10-30
| 更新日期: 2025-04-07