STMicroelectronics STDRIVEG610半桥栅极驱动器
STMicroelectronics STDRIVEG610半桥栅极驱动器是高性能设备,专为在各种电源转换应用中驱动N沟道MOSFET或IGBT设计。STMicroelectronics STDRIVEG610具有 单输入控制 和 引导操作,只需极少的外部组件即可实现高效的高侧和低侧切换。该设备支持高达600V 的高侧驱动器,并在低端和高端均包含欠压锁定 (UVLO) 保护,以确保安全运行。由于 具有50ns的典型传播延迟和匹配的延迟时间,STDRIVEG610 IC非常适合高频开关应用,例如 电机控制、电源和逆变器。紧凑的设计、强大的保护功能和宽的工作电压范围使STDRIVEG610半桥栅极驱动器成为寻求高效紧凑型栅极驱动器解决方案的设计人员的可靠选择。特性
- 高达600V高压轨
- ±200 V/ns dV/dt瞬态抗扰度
- 驱动器具有独立的灌电流/片和源路径,以实现最佳驱动
- 2.4A和1.2Ω灌电流
- 1.0A和3.7Ω源电流
- 6V栅极驱动电压的高侧和低侧线性稳压器
- 300ns超快高侧启动时间
- 传播延迟45ns,最小输出脉冲15ns
- 高(>1MHz)切换频率
- 内置600V自举二极管
- 完全支持 GaN硬开关操作
- VCC、VBO 和VLS 上的UVLO功能
- 逻辑输入和关闭引脚分离
- 过温和UVLO报告故障引脚
- 低功耗模式待机功能
- 分开的PGND用于开尔文源驱动和电流分流兼容性
- 3.3V至20V兼容输入,具有迟滞和下拉功能
应用
- DC/DC和谐振转换器(LLC、主动钳位反激、对称推挽等)
- PFC和同步整流器拓扑结构
- 电池充电器和适配器
- AC/DC转换器
规范
- 9.2V至18V逻辑电源电压范围
- ±3V低侧驱动器接地
- 7.5V至20V VBOOT-OUT 引脚电压范围
- -10.8VDC 至520VDC 输出电压范围
- 600V最大瞬态输出电压
- 0V至20V逻辑输入电压范围
- 47nF至220nF驱动器电源电压旁路电容范围
- 3300nF最大高侧驱动器线性稳压器输入电容
- 50ns输入脉冲最小持续时间
- 2MHz最大切换频率
- 热阻
- 按照JESD51-7安装在2s2p(4层)FR4板上时,结温为85°C/W,无PCB热通孔
- 根据JESD51-3标准,在1s0p(1层)FR4板上安装时,结温为110°C/W
- ESD等级
- 符合ANSI/ESDA/JEDEC JS-001-2017标准,人体模型为2kV
- 符合ANSI/ESDA/JEDEC JS-002-2018标准,带电设备模型为1kV
- -40°C至+125°C结温范围
- 4mmx5mmx1mm QFN封装
典型应用原理图
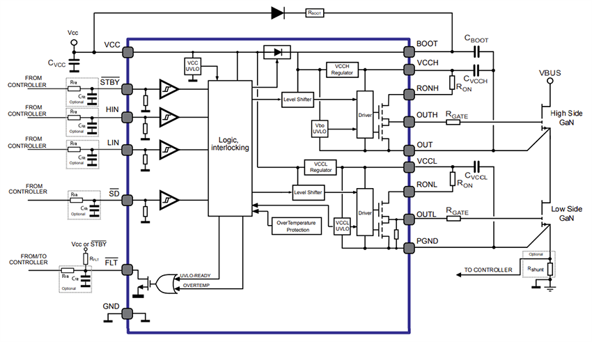
框图
视频
发布日期: 2025-06-19
| 更新日期: 2025-08-07
