Texas Instruments DRV8840直流电机驱动器
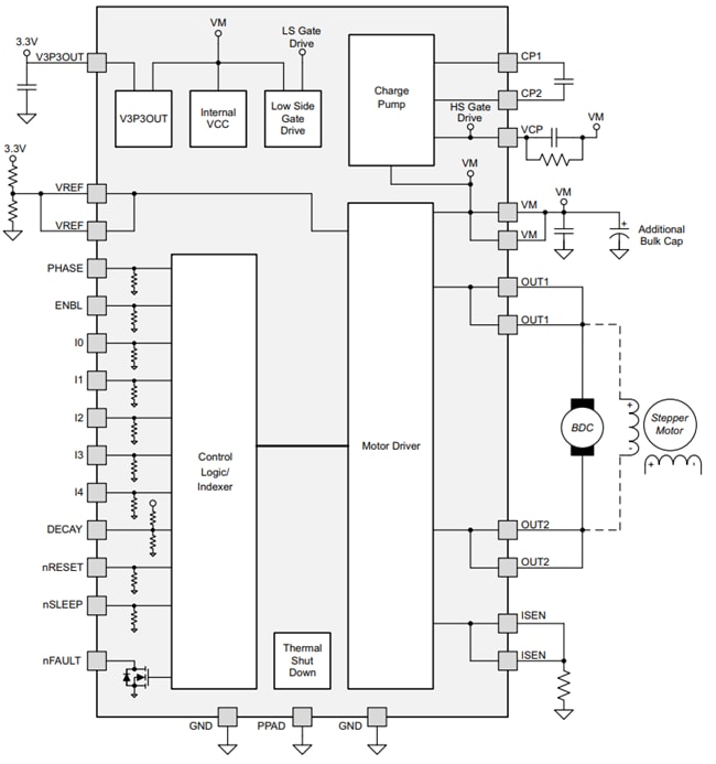
Texas Instruments DRV8840直流电机驱动器是具有浪涌保护功能的5A有刷直流驱动器,非常适合用于自动化设备应用。该驱动器包括一个半桥驱动器,设计用于驱动一台直流电机。DRV8840驱动器可提供高达5A峰值电流或3.5A输出电流。这些驱动器具有可编程的衰减模式,可以在禁用时制动或滑行电机。特性包括过流保护、短路保护、欠压闭锁以及过热保护。DRV8840直流电机驱动器采用28引脚PowerPAD™ HTSSOP封装。应用包括打印机、扫描仪、游戏机、办公自动化设备、工厂自动化以及机器人技术。与DRV8840相比,新款DRV8874节省了BOM空间和成本,无需使用检测电阻器。特性
- 单路半桥电流控制电机驱动器
- 8.2V至45V工作电源电压范围
- 5位绕组电流控制允许多达32个电流等级
- 低MOSFET RDS(on)(典型值)0.65Ω (HS + LS)
- 在24V、TA = 25°C情况下,最大5A驱动电流
- 内置3.3V基准输出
- 并行数字控制接口
- 散热增强型表面贴装封装
- 保护特性:
- 过流保护 (OCP)
- 热关断 (TSD)
- VM欠压闭锁 (UVLO)
- 故障状态指示引脚 (nFAULT)
应用
- 打印机
- 扫描仪
- 办公自动化设备
- 工厂自动化
- 机器人技术
- 游戏机
DRV8840框图
DRV8840示意图
发布日期: 2019-03-28
| 更新日期: 2023-08-14
