两个LM66100低IQ理想二极管可用于一个ORing配置中,类似于实施双二极管ORing。这种配置能让LM66100将最高输入电压传递到输出,同时阻止反向电流流入输入电源。LM66100理想二极管可以比较输入和输出电压,确保通过内部电压比较器阻止反向电流。
LM66100的结温范围为–40°C至125°C,采用标准SC-70封装。
特性
- 宽工作电压范围:1.5V至5.5V
- VIN反向电压关态: -6V(最大绝对值)
- 最大持续电流 (IMAX):1.5A
- 导通电阻 (RON):
- 5V VIN = 79mΩ(典型值)
- 3.6V VIN = 91mΩ(典型值)
- 1.8V VIN = 141mΩ(典型值)
- 比较器芯片使能(CE)
- 通道状态指示 (ST)
- 低电流消耗:
- 3.6V VIN关断电流(ISD、VIN):120nA(典型值)
- 3.6V VIN静态电流(IQ、VIN):150nA(典型值)
应用
- 智能电表
- 楼宇自动化
- GPS和跟踪
- 主电池和备用电池
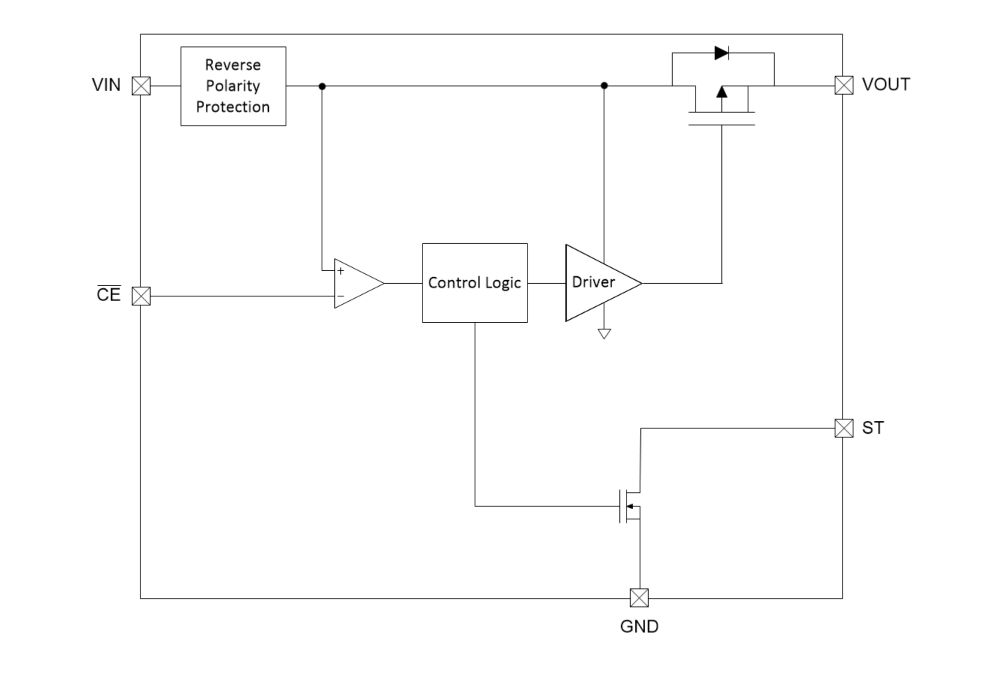
功能图
发布日期: 2019-07-24
| 更新日期: 2023-10-09

