Texas Instruments LMR36500同步降压式转换器
Texas Instruments LMR36500同步降压转换器是一款超小型、3V至65V宽输入电压范围降压DC/DC转换器,采用4mm2 HotRod封装。该转换器提供出色的EMI性能,可处理高达70V输入电压瞬变,并支持3.3V、5V和其他可调节输出电压。LMR36500转换器设计为在较宽的占空比范围和200kHz至2.2MHz开关频率范围内运行。该同步降压式转换器具有EN/UVLO特性,可在启动和关断时精确控制器件。PGOOD标志内置毛刺滤波器和延迟释放功能,可准确指示系统状态,免去了使用外部电压监控器的麻烦。典型应用包括现场发射器和过程传感器、暖通空调和消防安全通知与探测器、园艺工具和电动工具以及便携式电子产品。特性
- 设计用于严苛的工业应用:
- -40°C至150°C结温范围
- 高达70V输入瞬态保护
- 宽输入电压范围:3V(下降阈值)至65V
- 最小化开关节点振铃以降低EMI
- 提供可调和固定输出3.3V和5V电压选项
- 设计用于可扩展工业电源:
- 引脚兼容LMR36503(65V、300mA)和LMR36506(65V、600mA)
- 可调开关频率:200kHz至2.2MHz(采用RT引脚型号时)
- 在整个负载范围内具有高效率和低功耗:
- 1MHz下峰值效率大于80%(VOUT= 3.3V)
- 超小型,2 mm × 2 mm HotRod™封装
应用
- 工厂自动化:
- 现场发射器和过程传感器
- 楼宇自动化:
- 暖通空调和消防安全通知与探测器
- 电器:
- 园艺工具和电动工具
- 便携式电子产品:
- 耳机和耳塞
效率与输出电流
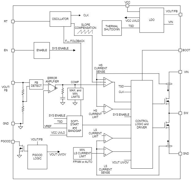
功能框图
发布日期: 2024-01-10
| 更新日期: 2025-03-05
