控制架构和功能集设计用于实现超小设计尺寸。该器件采用峰值电流模式控制,最大限度地降低输出电容。Texas Instruments LMR43606-Q1采用双随机扩频、优化的引脚分配和低EMI HotRod封装,最大限度地减小输入滤波器尺寸。MODE/SYNC和RT引脚型号可用于设置或同步200kHz至2.2MHz之间的频率,以避免噪声敏感频段。LMR43606-Q1具有丰富的特性,设计用于简化各种汽车终端设备的实施。
特性
- 符合汽车应用类AEC-Q100认证
- 温度等级1(TA= -40°C至+125°C)
- 支持功能安全
- 来辅助功能安全系统设计的文档
- 1mA时效率高于85%
- 微型设计尺寸和低元件成本
- 2 mm × 2 mm HotRod™封装,带可湿性侧翼
- 内部补偿
- 设计用于满足超低EMI要求
- 扩频可减少峰值发射
- 引脚可选FPWM模式,用于通过MODE/SYNC引脚在轻负载时实现恒定频率
- 通过MODE/SYNC引脚实现FSW 同步
- 设计用于汽车应用
- -40 °C至+150 °C结温范围
- 支持42 V汽车负载突降
- 支持3VIN,用于汽车冷启动
- 提供有可调(高达VIN 的95%)、3.3V和5V固定VOUT 选项
- 设计用于可扩展电源
- 可调FSW 为200kHz至2.2MHz(RT引脚)
- 与以下器件引脚兼容:
- LMR43610-Q1(36V、1A)
- LMR36506-Q1(65 V、600 mA)
- LMR36503-Q1(65 V、300 mA)
应用
- 高级辅助驾驶系统(雷达ECU)
- 信息娱乐与仪表板(音响主机、eCall)
- 车身电子产品和照明
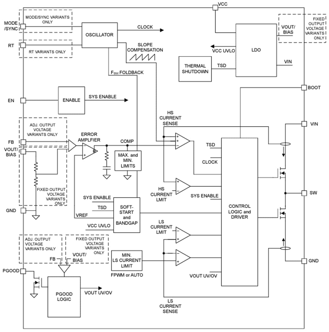
功能框图
发布日期: 2024-03-25
| 更新日期: 2025-05-06

