Texas Instruments TLV770低压差 (LDO) 线性稳压器
Texas Instruments TLV770低压差 (LDO) 线性稳压器设计用于提供具有55dB (1MHz) 高PSRR的电压源。 这些稳压器提供满足各种电路要求的负载和线路瞬态性能。TLV770 LDO稳压器具有0.6V至3.3V输出电压范围和2%输出电压精度。这些稳压器包括内部软启动电路,用来避免过大浪涌电流和降低启动期间的输入电压降。TLV770 LDO稳压器的工作温度范围是 −40°C至125°C,电压范围为1.4V至5.5V。 这些LDO稳压器用于智能手机、平板电脑、机顶盒、游戏机、相机模块和流媒体播放器。特性
- 高PSRR:55dB(1MHz时)
- 输入电压范围:1.4 V至5.5 V
- 固定输出电压范围:0.6V至3.3V
- 输出电压精度:2%
- 工作温度范围:-40 °C至125 °C
- 低压差电压:50mA时45mV (3.3VOUT)
- 有源输出下拉电阻器
应用
- 智能手机
- 掌上电脑
- 平板电脑
- 游戏控制台
- 流媒体播放器
- 机顶盒
- 相机模块
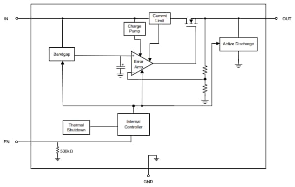
功能框图
应用电路图
发布日期: 2024-07-19
| 更新日期: 2025-01-20
