Texas Instruments TLV774低压差 (LDO) 线性稳压器
Texas Instruments TLV774低压差 (LDO) 线性稳压器设计用于提供具有高PSRR的电压源。这些小型稳压器具有负载和线路瞬态性能,可满足各种电路的要求。TLV774 LDO线性稳压器可提供300mA输出电流。这些稳压器采用一个1μF单输入电容器和一个1μF陶瓷输出电容器运作。TLV774 LDO线性稳压器具有内部软启动电路,可消除浪涌电流、折返电流限制和有源输出下拉电阻器。这些稳压器采用标准1mm x 1mm X2SON (DQN) 封装。TLV774 LDO线性稳压器用于平板电脑、游戏机、智能手机、笔记本电脑、相机模块和机顶盒等应用。特性
- 高PSRR:60dB (1kHz) 和45dB (1MHz)
- 输出电压精度:2%
- 折返电流限制
- 有源输出下拉电阻器
- 低压差:310mV(最大值,300mA(1.2VOUT)过热时)
- VIN 范围:1.4V至5.5V
- 1mm x 1mm、4引脚X2SON (DQN) 封装
应用
- 智能手机
- 平板电脑
- 游戏控制台
- 笔记本电脑
- 机顶盒
- 相机模块
- 流媒体播放器
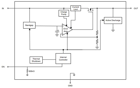
功能框图
应用电路图
发布日期: 2025-01-20
| 更新日期: 2025-04-09
