Texas Instruments TMP1827EVM评估模块 (EVM)

Texas Instruments TMP1827EVM评估模块 (EVM) 设计用于评估TMP1827温度传感器。TMP1827是一款高精度单线兼容数字输出温度传感器,采用集成安全散列算法 (SHA)。TMP1827传感器在-55°C至150°C温度范围内具有±0.3°C高精度。TMP1827EVM评估模块具有USB记忆棒外形尺寸,设有板载MSP430F5528微控制器,可通过单线接口连接主机和TMP1827器件。 该模块设计在评估板上的传感器和主机控制器之间穿孔。

特性

  • 评估TMP1827温度传感器
  • USB记忆棒外形尺寸
  • 集成MSP430F5528微控制器
  • USB控制器板和TMP1827传感器板之间穿孔

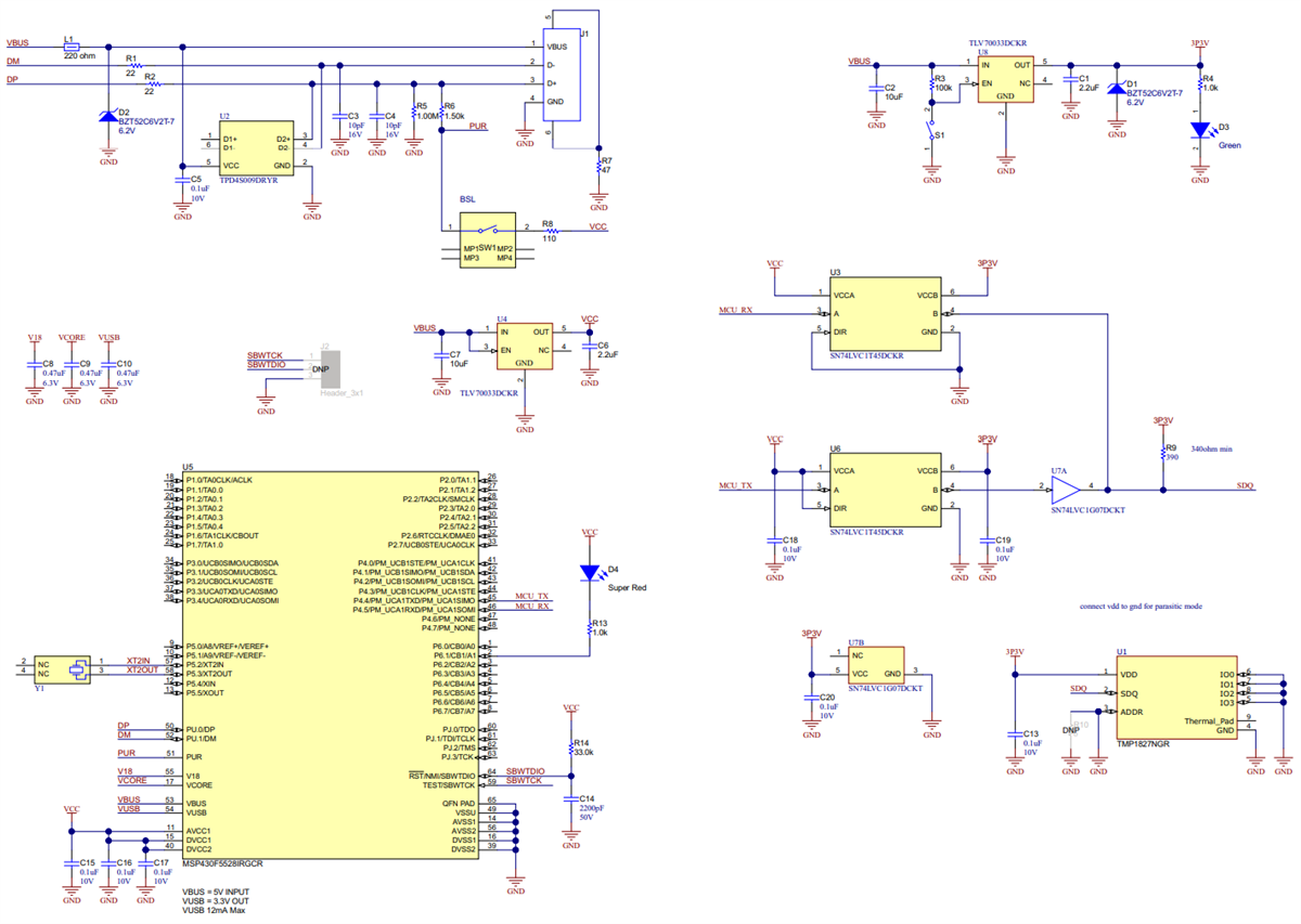
示意图

原理图 - Texas Instruments TMP1827EVM评估模块 (EVM)
发布日期: 2023-02-09 | 更新日期: 2023-10-30