TPS56A37以Eco-mode运行,可在轻负载条件下通过500kHz固定开关频率实现高效率。TPS56A37支持通过连接SS电容器来调节软启动时间,并且在SS引脚悬空时默认为1.8ms。TPS56A37提供完整的非锁存OV(过压)、UV(欠压)、OC(过流)、OT(过热)和UVLO(欠压闭锁)保护以及电源良好指示器和输出放电功能特性。Texas Instruments TPS56A37采用10引脚3.0mm × 3.0mm HotRod QFN封装,额定结温范围为-40°C至150°C。
特性
- 输入电压范围:4.5V至28V
- 输出电压范围:0.6 V至13 V
- 支持10 A连续输出电流
- 集成19.4 mΩ和8.5 mΩ MOSFET
- 25°C、0.6V基准电压时精度为±1%
- 45uA低静态电流
- D-CAP3™控制模式,用于快速瞬态响应
- Eco-mode(自动跳跃模式),提高轻负载效率
- 500kHz固定开关频率
应用
- 工业PC、EPOS、工厂自动化和控制
- 多功能打印机、视频会议系统
- 12 V、19 V、24 V电源总线供电的通用用途
- 显示器、电视、扬声器、个人电脑和笔记本电脑、便携式电子产品
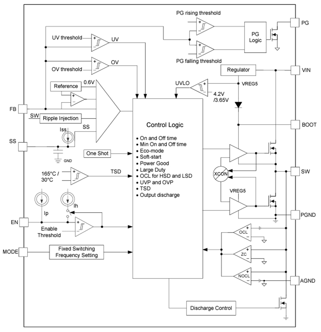
功能框图
发布日期: 2024-03-27
| 更新日期: 2024-04-09

