Texas Instruments TPS631010EVM-109评估模块

Texas Instruments TPS631010EVM-109评估模块设计用于评估和测试TPS631010降压-升压式转换器的运行情况及功能。该模块可在1.6V至5.5V的输入电压范围内运行,具有3.3V的输出电压设置。当Vin 高于3V时,该评估模块输出电流可增加至2A;当Vin 高于2.7V时,该评估模块输出电流可增加至1.5A。

特性

  • 输入电压范围:1.6V-5.5V
  • 输出电压范围:1.0V至5.5V
  • 峰值电流限制:3A
  • 8 µA典型静态电流

俯视图

Texas Instruments TPS631010EVM-109评估模块

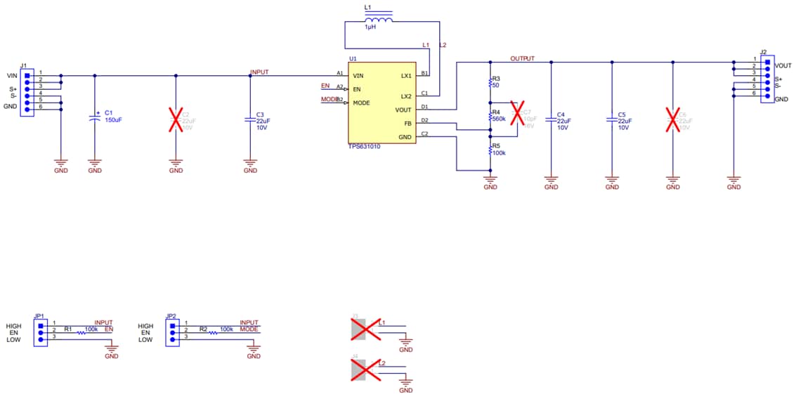
原理图

原理图 - Texas Instruments TPS631010EVM-109评估模块
发布日期: 2023-03-15 | 更新日期: 2024-01-23