Texas Instruments TPS92633-Q1具有单失效-全失效功能,可与其他LED驱动器(例如TPS9261x-Q1、TPS92630/8-Q1和TPS92830-Q1器件)搭配,满足不同要求。
特性
- 符合汽车应用类AEC-Q100标准 (TPS 92633-Q1)
- 温度等级1 TA:-40°C至125°C (TPS92633-Q1)
- 宽输入电压范围:4.5V至40V
- 通过外部分流电阻器实现热共享
- 故障模式下低电源电流
- 三个高精度电流调节
- 每个通道高达150mA电流输出
- 整个温度范围上5%的输出精度
- 通过电阻器独立设置电流
- 独立PWM引脚,用于亮度控制
- 支持非板载亮度分档电阻器
- 支持外部NTC,用于电流降额
- 低压差电压
- 最大压降:600mV(150mA时)
- 诊断和保护
- LED开路,具有自动恢复功能
- LED对地短路,具有自动恢复功能
- 单LED短路检测,具有自动恢复功能
- 诊断使能具有可调阈值
- 故障总线可配置为单失效-全失效或者仅失效通道关闭 (N-1)
- 热关断
- 工作结温范围:–40°C至150°C
应用
- 汽车外部尾灯(后灯、中心高位刹车灯、侧标)
- 汽车外部小尺寸灯(门把手、盲点检测指示灯、充电入口)
- 汽车内部灯(头顶控制台、阅读灯)
- 通用LED驱动器应用
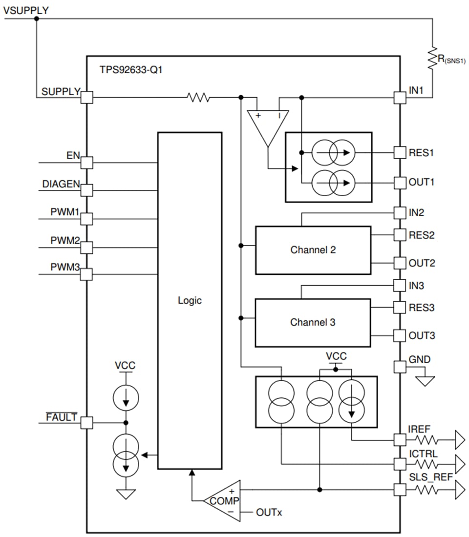
功能框图
发布日期: 2021-06-16
| 更新日期: 2022-03-11

