Texas Instruments UCC24624同步整流器 (SR) 控制器
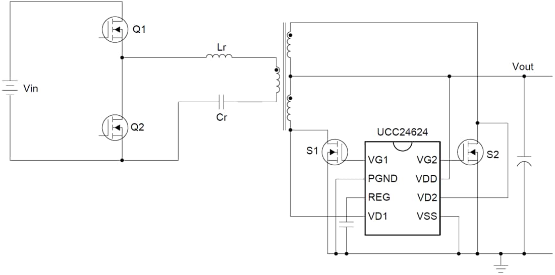
Texas Instruments同步整流 (SR) 控制器专门用于LLC谐振转换器,用SR MOSFET替代有损的二极管输出整流器,提高系统整体效率。UCC24624 SR控制器采用漏-源电压感应方法,实现对SR MOSFET的开启和关闭控制。采用比例栅极驱动器,可延长SR导通时间,最大限度缩短体二极管导通时间。为了补偿SR MOSFET寄生电感引起的偏移电压,UCC24624设计了一个可调节的正关断阈值,适应不同的SR MOSFET封装。UCC24624具有内置475ns接通时间消隐和固定650ns断开时间消隐,避免SR假接通和断开。UCC24624还集成了一个两通道联锁功能,可防止两个SR同时打开。它具有230V电压检测引脚和28V ABS最大VDD额定值,可以直接用于输出电压高达24.75V的转换器。内部钳位在VDD上添加外部限流电阻器,让控制器轻松支持36V输出电压。通过内置待机模式检测(根据平均开关频率),UCC24624自动进入待机模式,无需使用外部元器件。180µA低待机模式电流支持满足当前的无负载功耗要求,例如CoC和DoE规定。UCC24624可匹配UCC25630x LLC和UCC28056 PFC控制器,从而实现高效率,同时保持出色的轻负载和无负载性能。其他PFC控制器(例如UCC28064A、UCC28180和UCC28070)可用于实现更高功率。1.5A峰值拉电流和4A峰值灌驱动能力让UCC24624支持高达1kW的LLC转换器。
特性
- 230V VD引脚额定值
- 23ns关闭延迟,支持LLC在谐振频率以上和高达625kHz开关频率时运行
- 比例栅极驱动器,可延长SR导通时间
- 可调关断阈值,可最大限度地缩短体二极管的导通时间
- 自动待机模式检测,180µA低待机电流
- 4.25V至26V VDD 宽工作范围,具有内部钳位
- 适应性导通延迟,实现更好的DCM环抑制
- 双通道联锁,避免击穿
- 集成1.5A拉电流和4A灌电流能力栅极驱动器,用于N沟道MOSFET
- 8引脚SOIC封装
典型应用原理图
发布日期: 2019-04-02
| 更新日期: 2023-08-16
